Cerca per moto

  • Nuovo
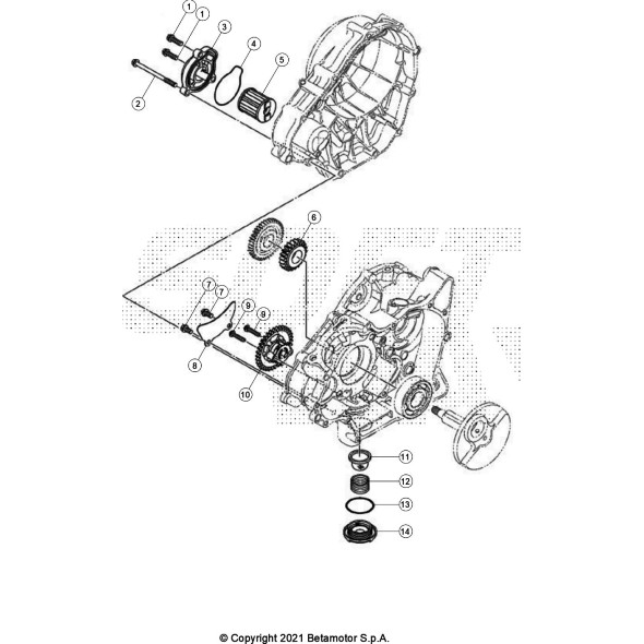
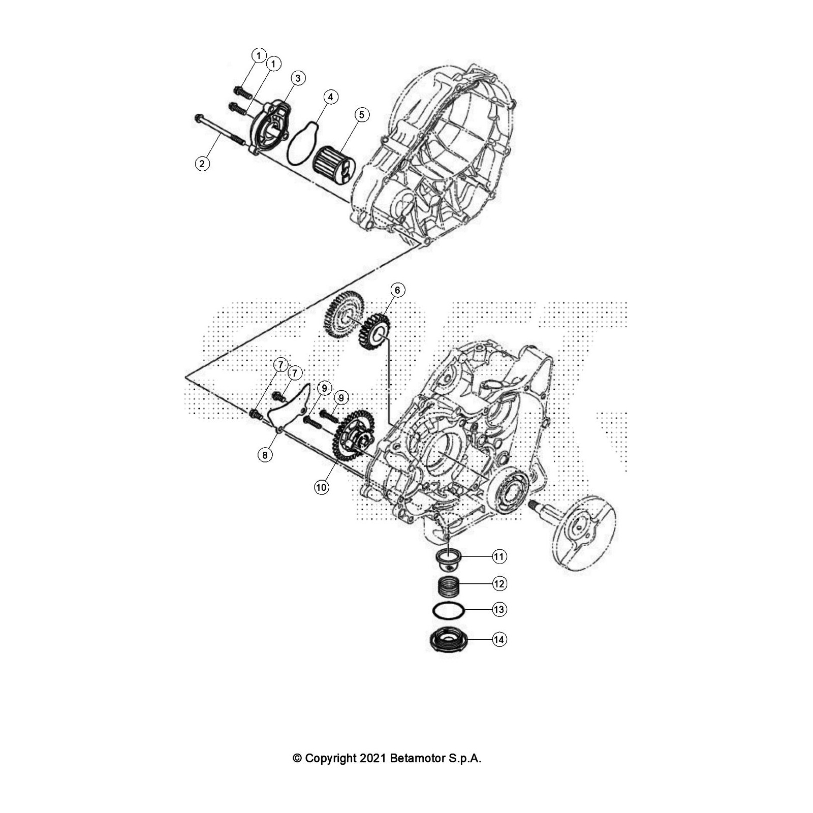
POMPA OLIO
BETA

POMPA OLIO

32,16 €
Tasse incluse

Prodotti originali
Team di esperti
Assistenza garantita

Dettagli del prodotto

043.08.006.00.00
50 Articoli
Compatibile con:
Product added to wishlist