Cerca per moto

  • Nuovo
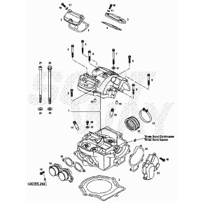
ALBERO BILANCIAMENTO
BETA

ALBERO BILANCIAMENTO

32,49 €
Tasse incluse

Prodotti originali
Team di esperti
Assistenza garantita

Dettagli del prodotto

051.02.004.00.00
50 Articoli
Compatibile con:
Product added to wishlist