Cerca per moto

  • Nuovo
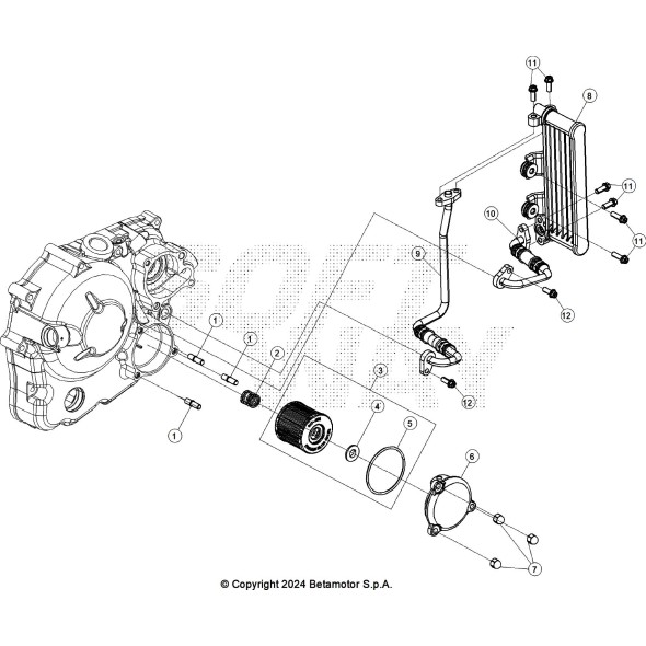
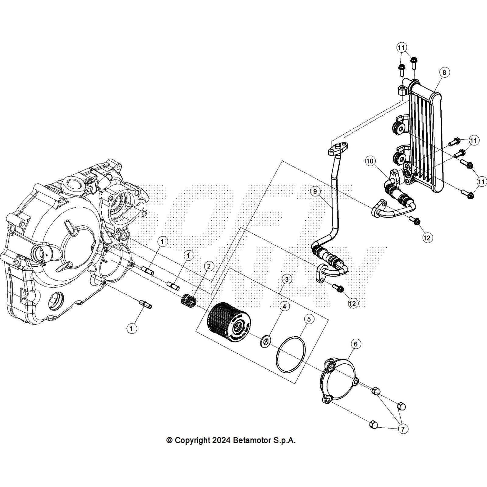
RADIATORE OLIO
BETA

RADIATORE OLIO

72,18 €
Tasse incluse

Prodotti originali
Team di esperti
Assistenza garantita

Dettagli del prodotto

048.08.001.00.00
50 Articoli
Compatibile con:
Product added to wishlist