Cerca per moto

  • Nuovo
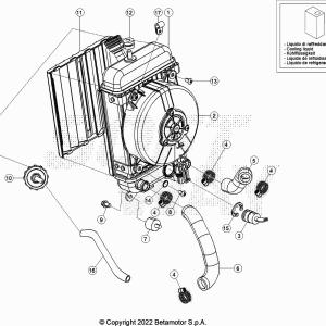
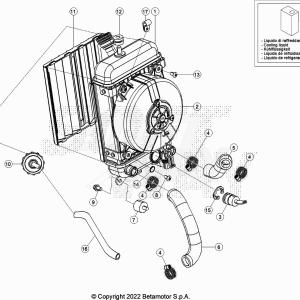
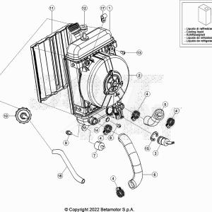
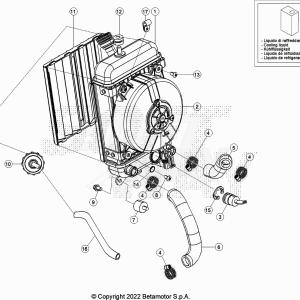
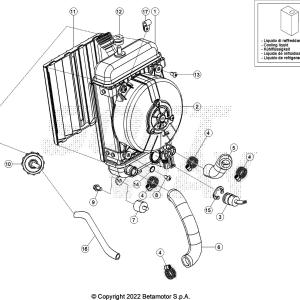
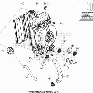
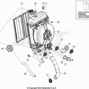
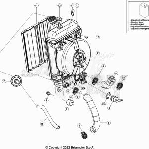
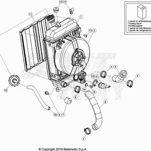
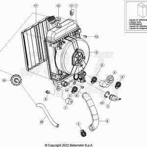
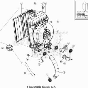
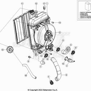
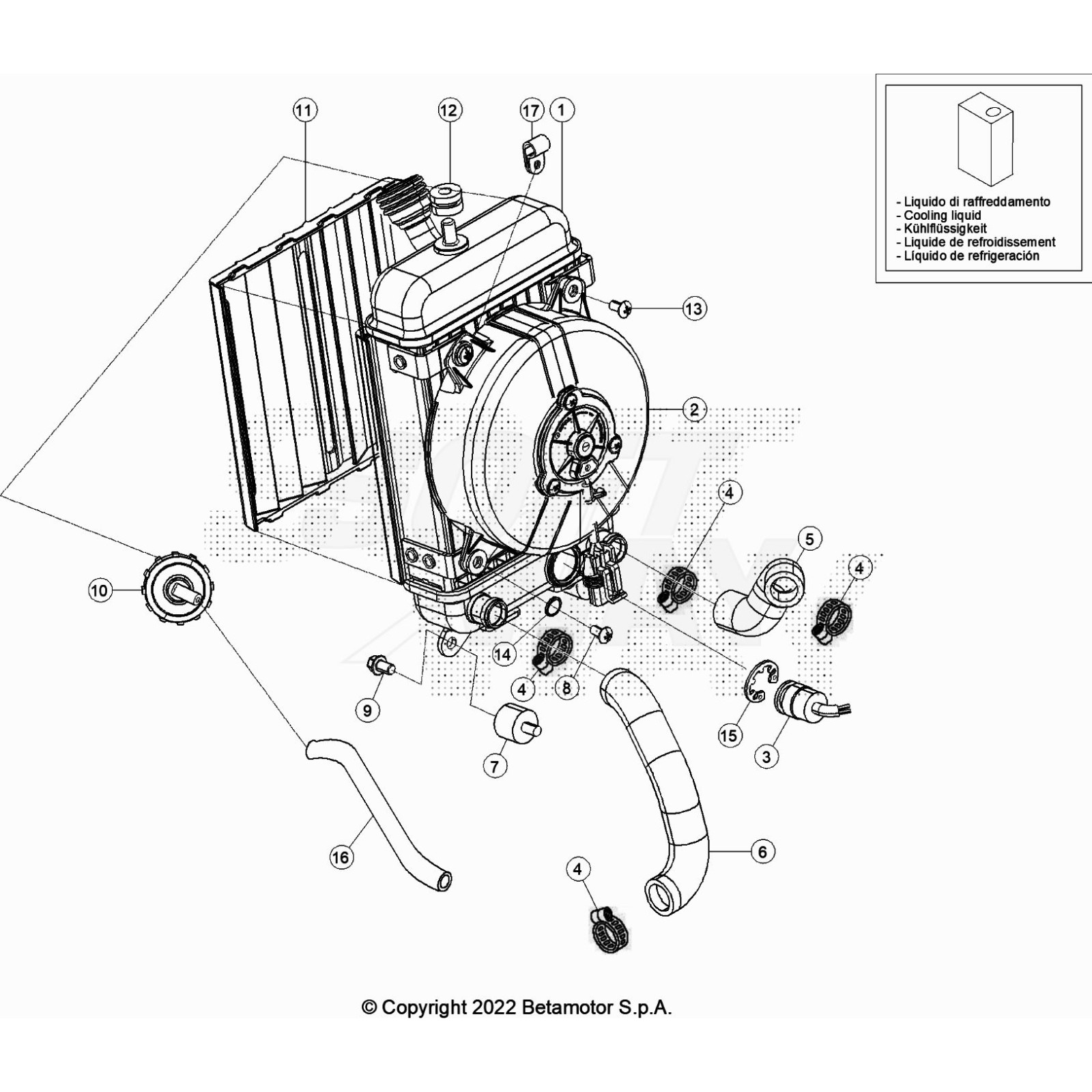
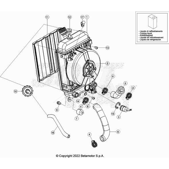
TERMOINTERRUTORE
BETA

TERMOINTERRUTORE

41,47 €
Tasse incluse

Prodotti originali
Team di esperti
Assistenza garantita

Dettagli del prodotto

007.39.018.00.00
50 Articoli
Compatibile con:
Product added to wishlist