Cerca per moto

  • Nuovo
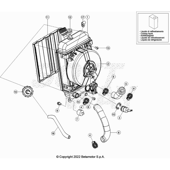
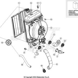
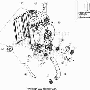
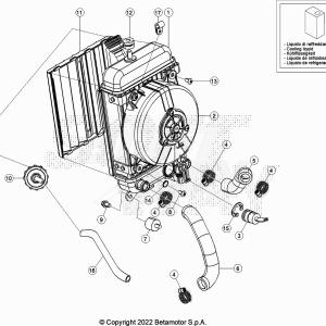
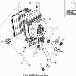
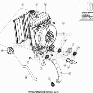
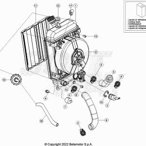
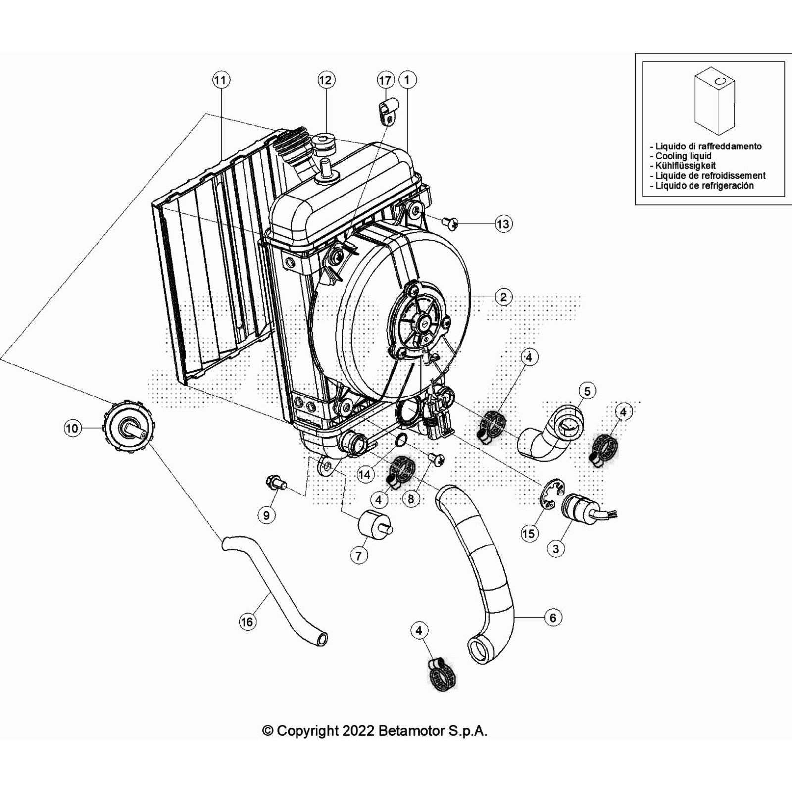
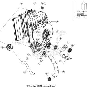
TERMOINTERRUTORE -60°C
BETA

TERMOINTERRUTORE -60°C

39,53 €
Tasse incluse

Prodotti originali
Team di esperti
Assistenza garantita

Dettagli del prodotto

007.39.220.00.00
50 Articoli
Compatibile con:
Product added to wishlist