Cerca per moto

  • Nuovo
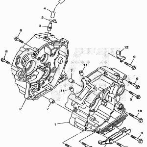
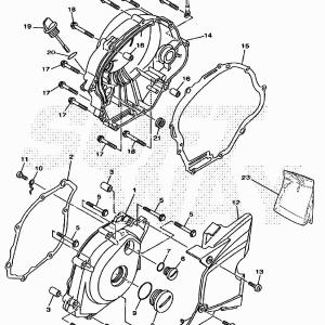
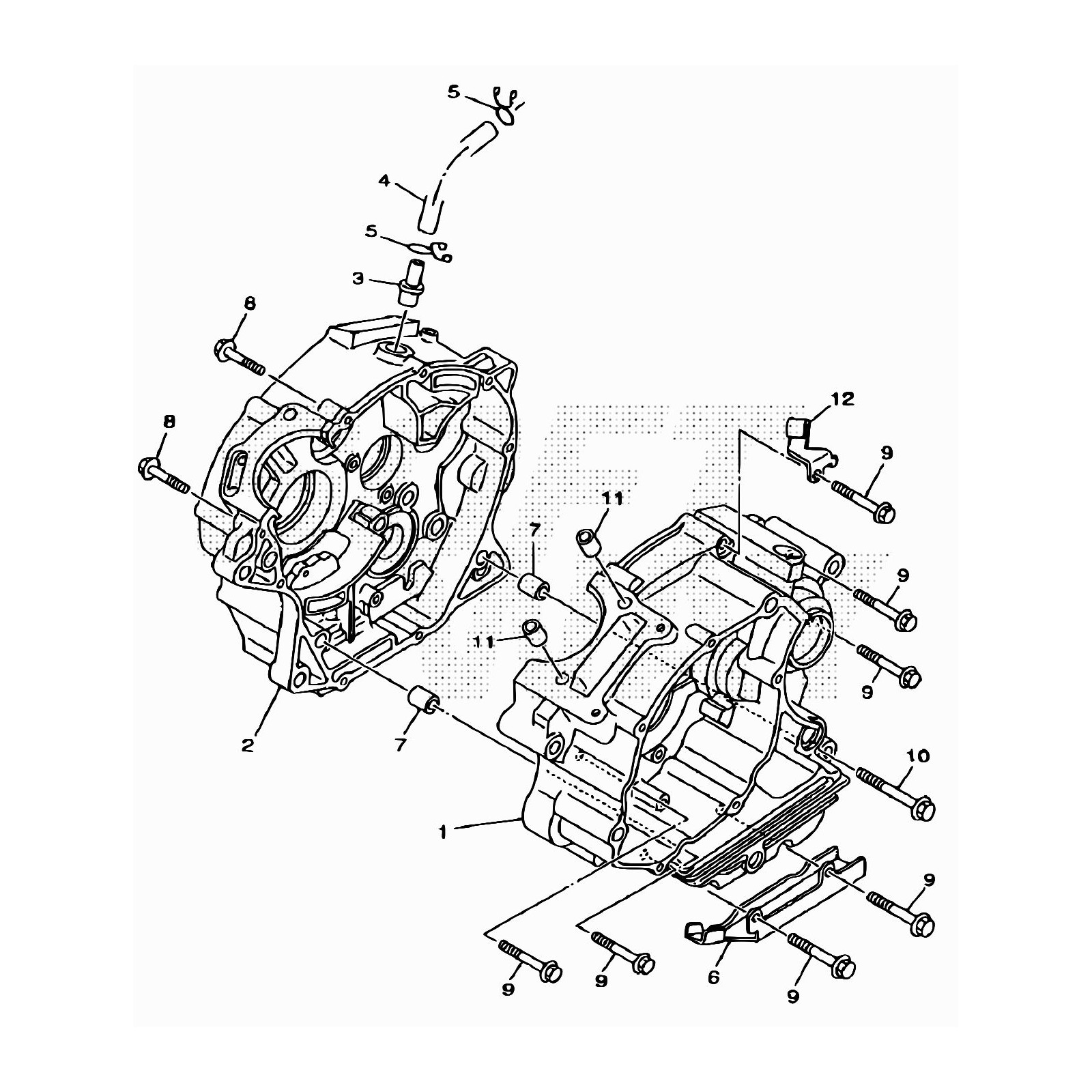
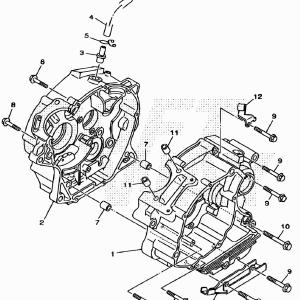
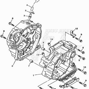
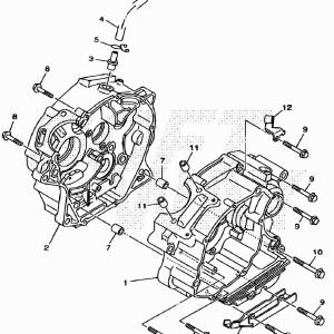
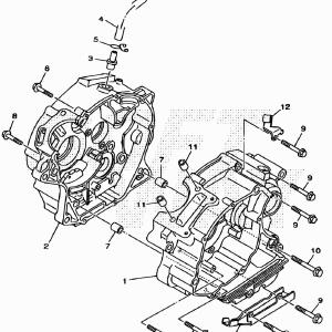
CARTER (1) 125CC 4T
BETA

CARTER (1) 125CC 4T

823,10 €
Tasse incluse

Prodotti originali
Team di esperti
Assistenza garantita

Dettagli del prodotto

34.04227.100
50 Articoli
Compatibile con:
Product added to wishlist