Cerca per moto

  • Nuovo
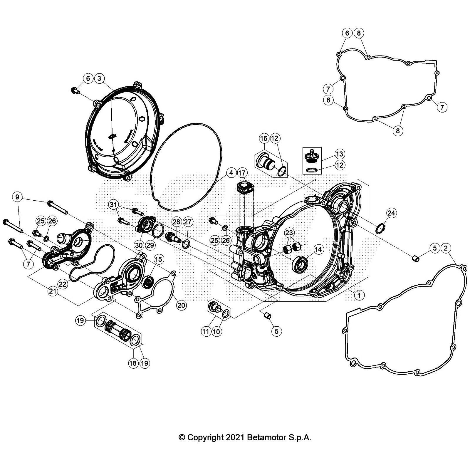
ANELLO PARAOLIO 8.24.7 DOPPIAMOLLA
BETA

ANELLO PARAOLIO 8.24.7 DOPPIAMOLLA

2,54 €
Tasse incluse

Prodotti originali
Team di esperti
Assistenza garantita

Dettagli del prodotto

10.43720.000
50 Articoli
Compatibile con:
Product added to wishlist