Cerca per moto

  • Nuovo
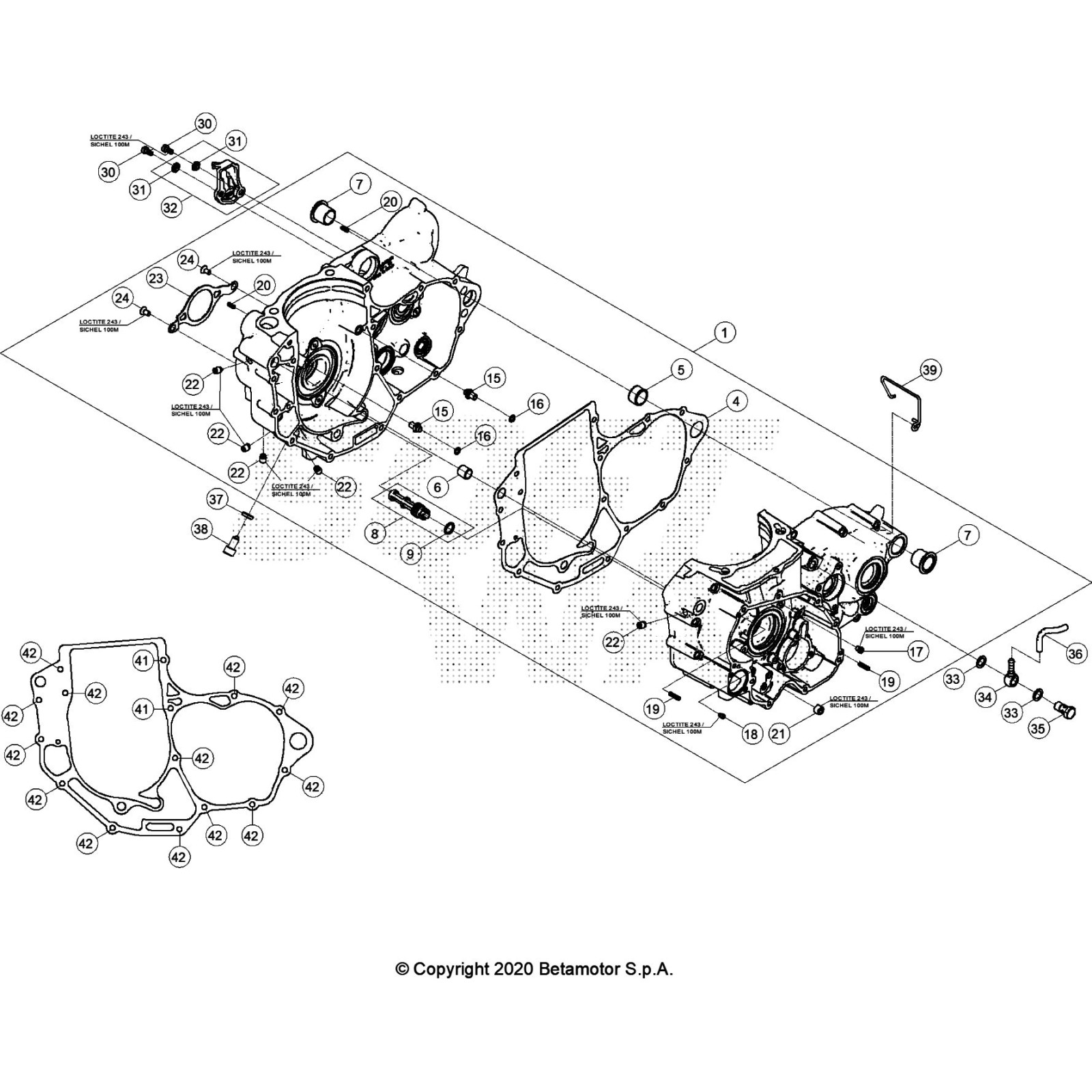
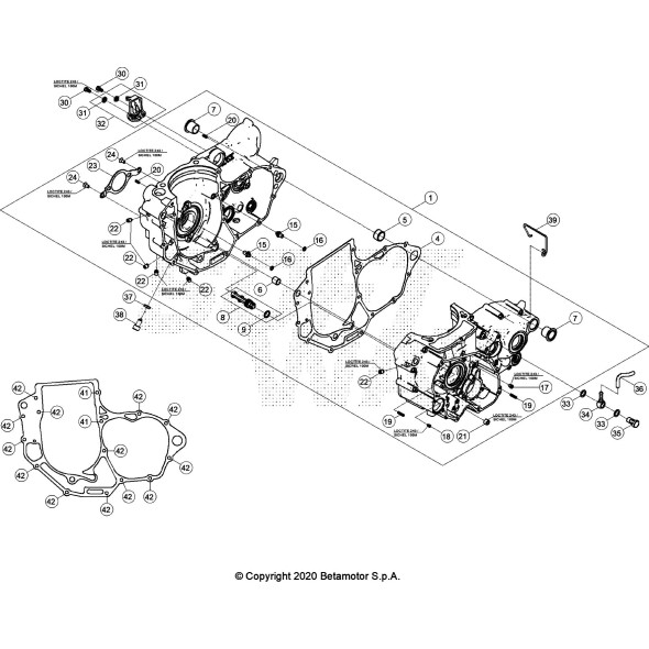
FILTRO OLIO, CARTER -COMPLETO-
BETA

FILTRO OLIO, CARTER -COMPLETO-

10,81 €
Tasse incluse

Prodotti originali
Team di esperti
Assistenza garantita

Dettagli del prodotto

006.08.053.80.00
50 Articoli
Compatibile con:
Product added to wishlist