Cerca per moto

  • Nuovo
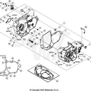
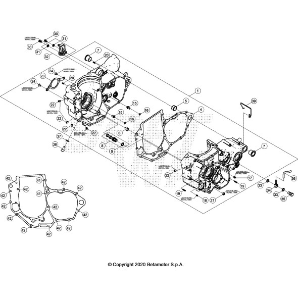
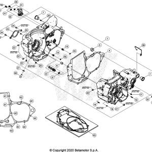
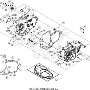
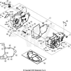
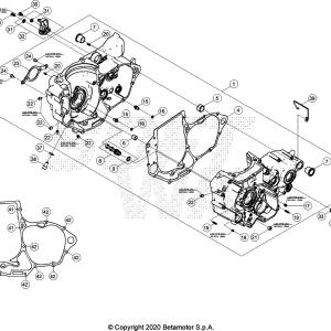
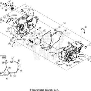
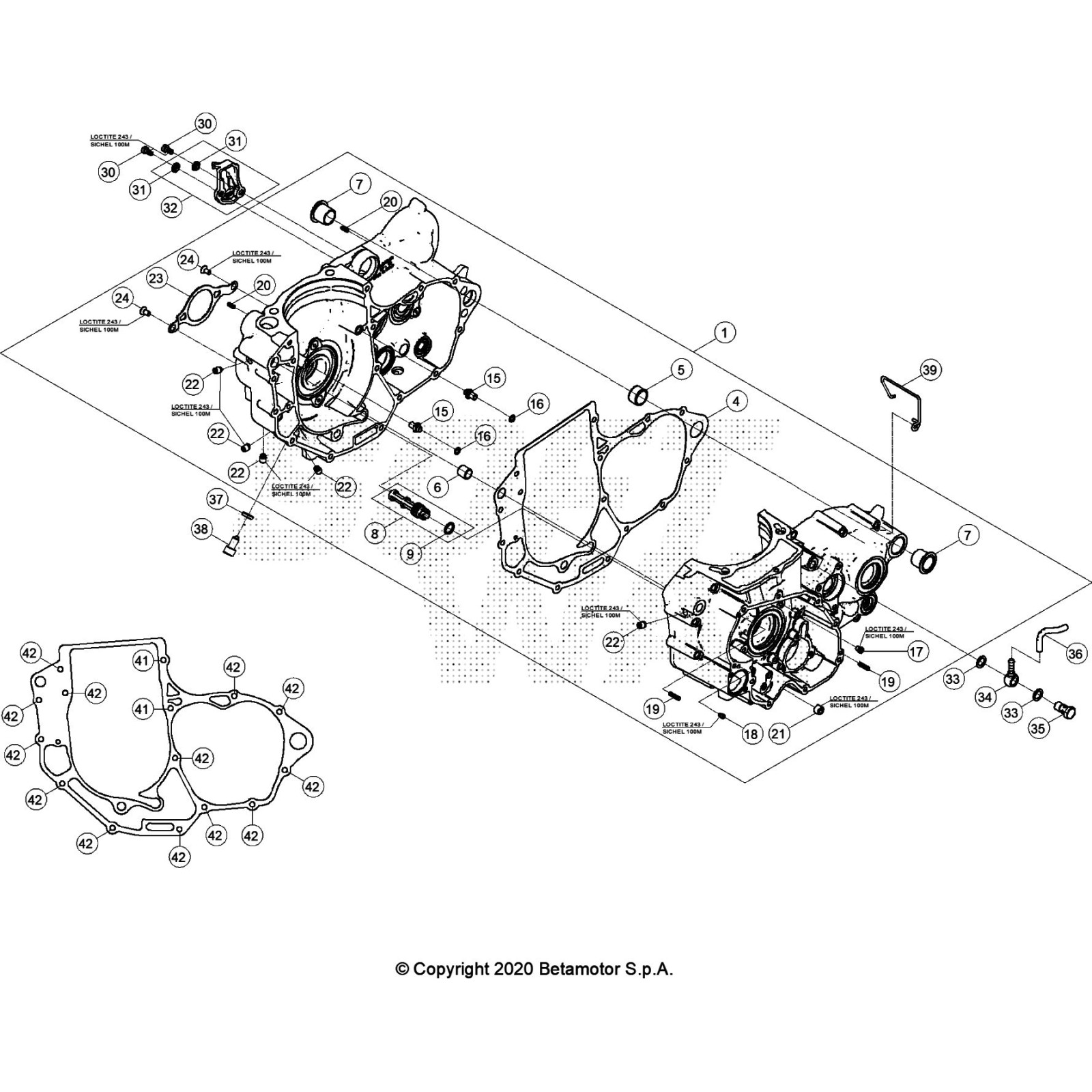
GETTO LUBRIFICAZIONE CARTER
BETA

GETTO LUBRIFICAZIONE CARTER

11,22 €
Tasse incluse

Prodotti originali
Team di esperti
Assistenza garantita

Dettagli del prodotto

16.42904.000
50 Articoli
Compatibile con:
Product added to wishlist