Cerca per moto

  • Nuovo
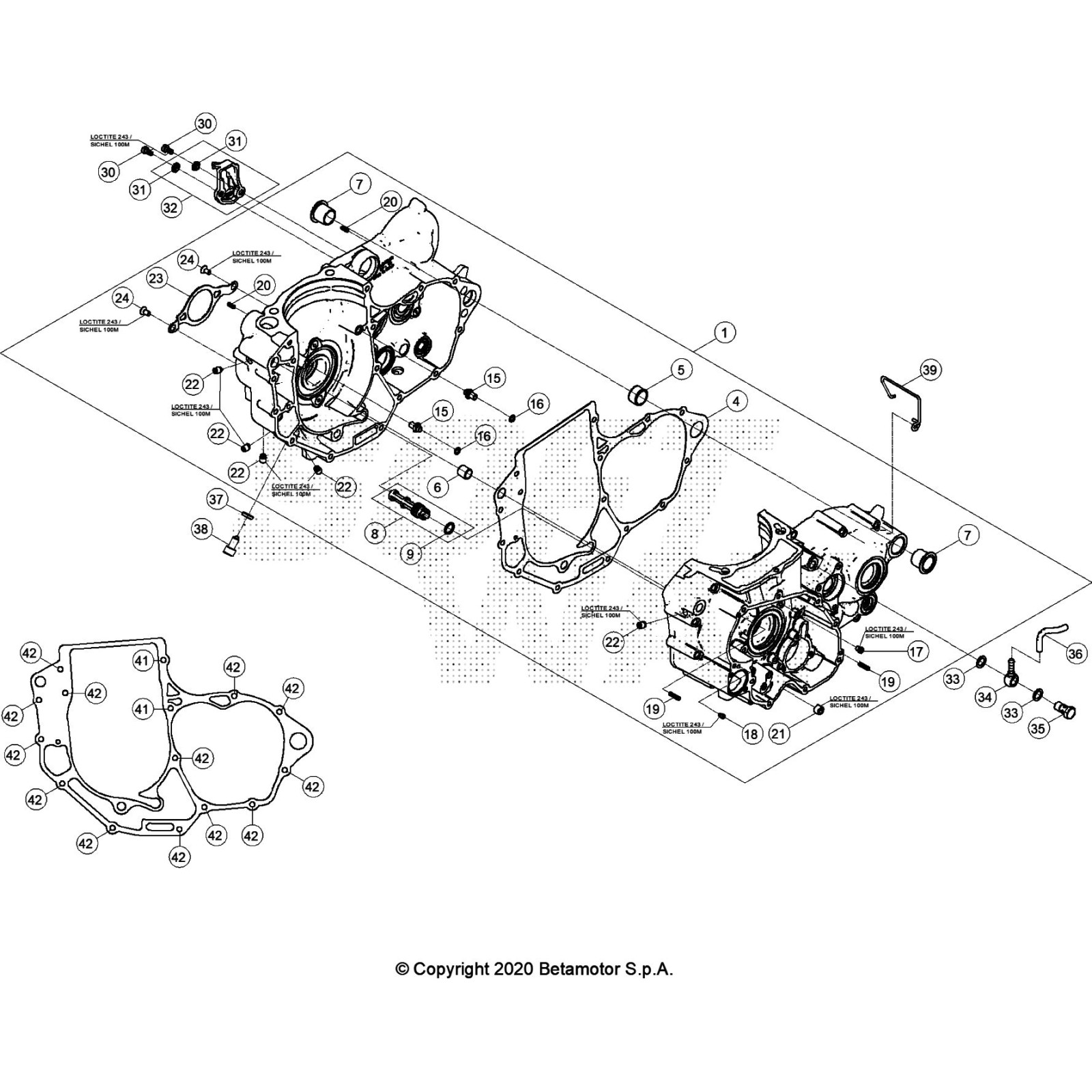
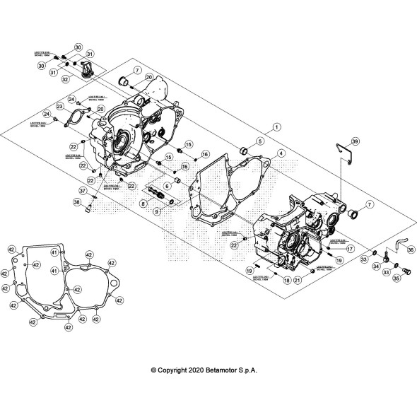
RAMPA OLIO -COMPLETO-
BETA

RAMPA OLIO -COMPLETO-

11,41 €
Tasse incluse

Prodotti originali
Team di esperti
Assistenza garantita

Dettagli del prodotto

022.08.080.80.00
50 Articoli
Compatibile con:
Product added to wishlist