Cerca per moto

  • Nuovo
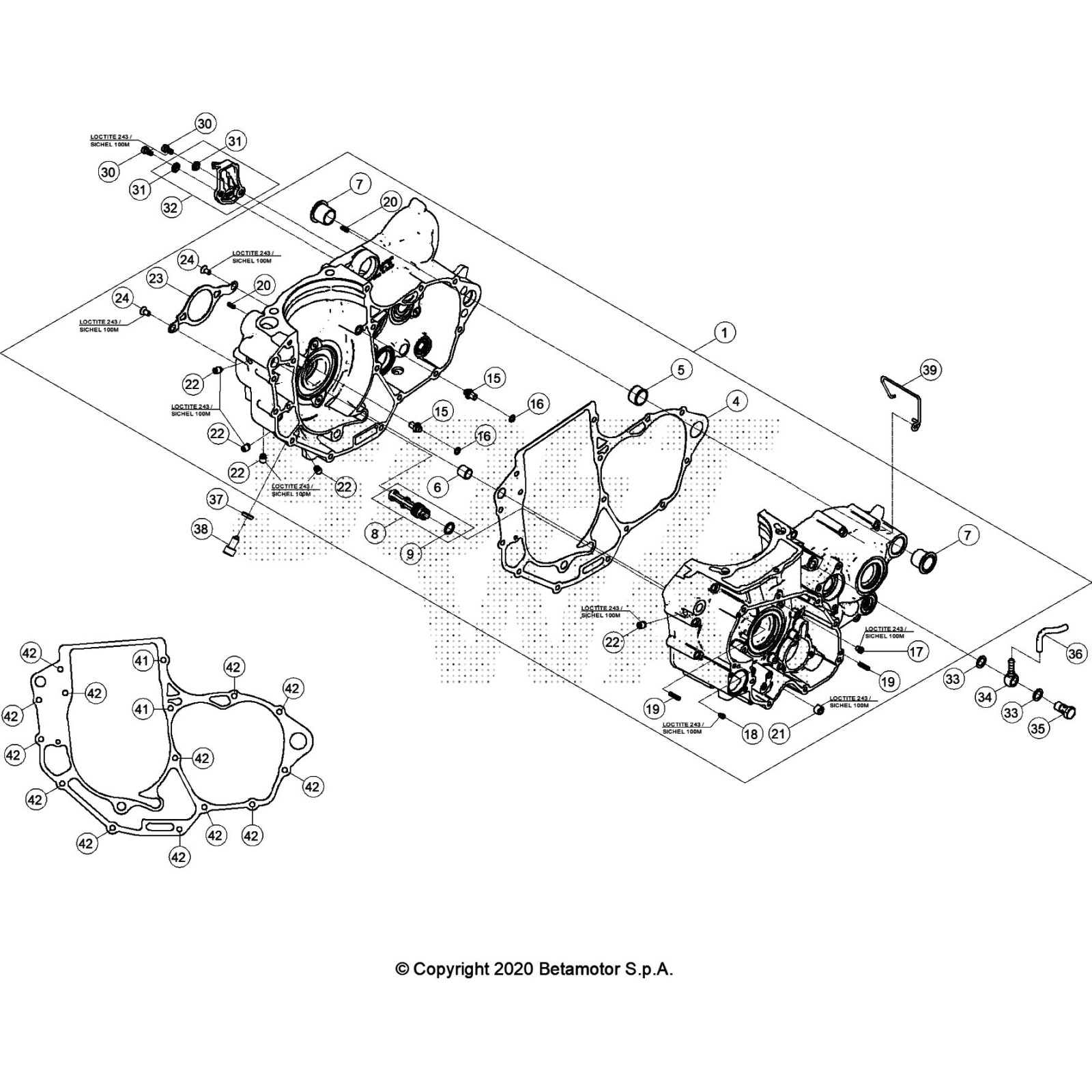
VITE DI CENTRAGGIO M8X16
BETA

VITE DI CENTRAGGIO M8X16

2,14 €
Tasse incluse

Prodotti originali
Team di esperti
Assistenza garantita

Dettagli del prodotto

006.01.025.00.00
50 Articoli
Compatibile con:
Product added to wishlist