Cerca per moto

  • Nuovo
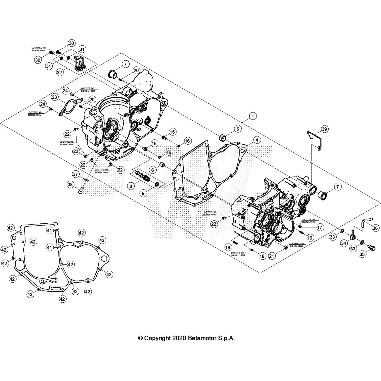
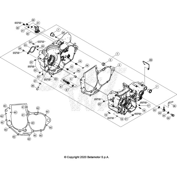
CARTER MOTORE RR 4T -COMPLETO-
BETA

CARTER MOTORE RR 4T -COMPLETO-

1.618,23 €
Tasse incluse

Prodotti originali
Team di esperti
Assistenza garantita

Dettagli del prodotto

006.01.200.80.00
50 Articoli
Compatibile con:
Product added to wishlist