Cerca per moto

  • Nuovo
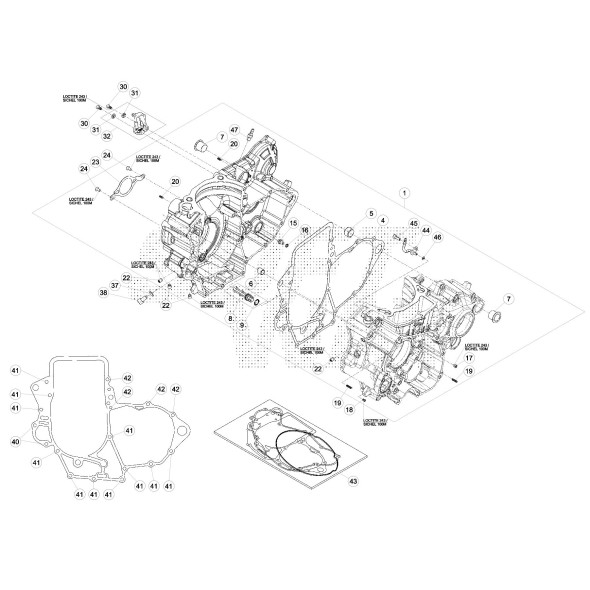
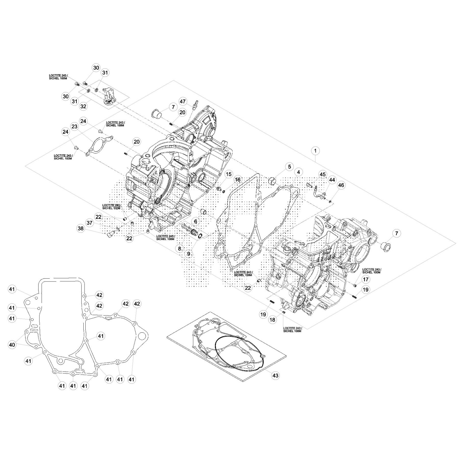
RONDELLA VITE DI CENTRAGGIO 8.14.5 RAME
BETA

RONDELLA VITE DI CENTRAGGIO 8.14.5 RAME

2,66 €
Tasse incluse

Prodotti originali
Team di esperti
Assistenza garantita

Dettagli del prodotto

029.01.026.00.00
50 Articoli
Compatibile con:
Product added to wishlist