Cerca per moto

  • Nuovo
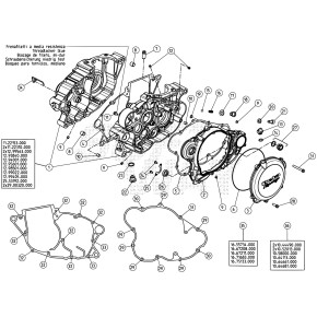
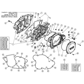
PISTONE MOTORE D88 - 1
BETA

PISTONE MOTORE D88 - 1

236,92 €
Tasse incluse

Prodotti originali
Team di esperti
Assistenza garantita

Dettagli del prodotto

028.02.151.80.01
50 Articoli
Compatibile con:
Product added to wishlist