Cerca per moto

  • Nuovo
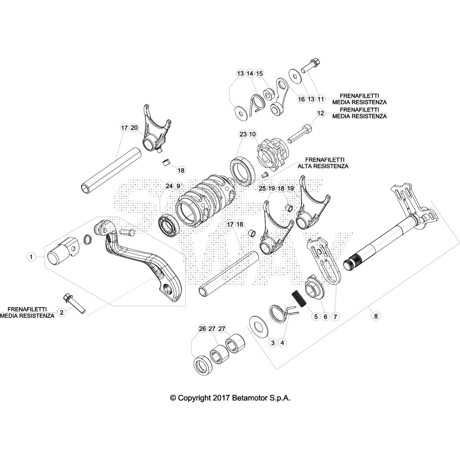
CAMMA CAMBIO
BETA

CAMMA CAMBIO

61,26 €
Tasse incluse

Prodotti originali
Team di esperti
Assistenza garantita

Dettagli del prodotto

035.05.006.00.00
50 Articoli
Compatibile con:
Product added to wishlist