Carrello
Drawing
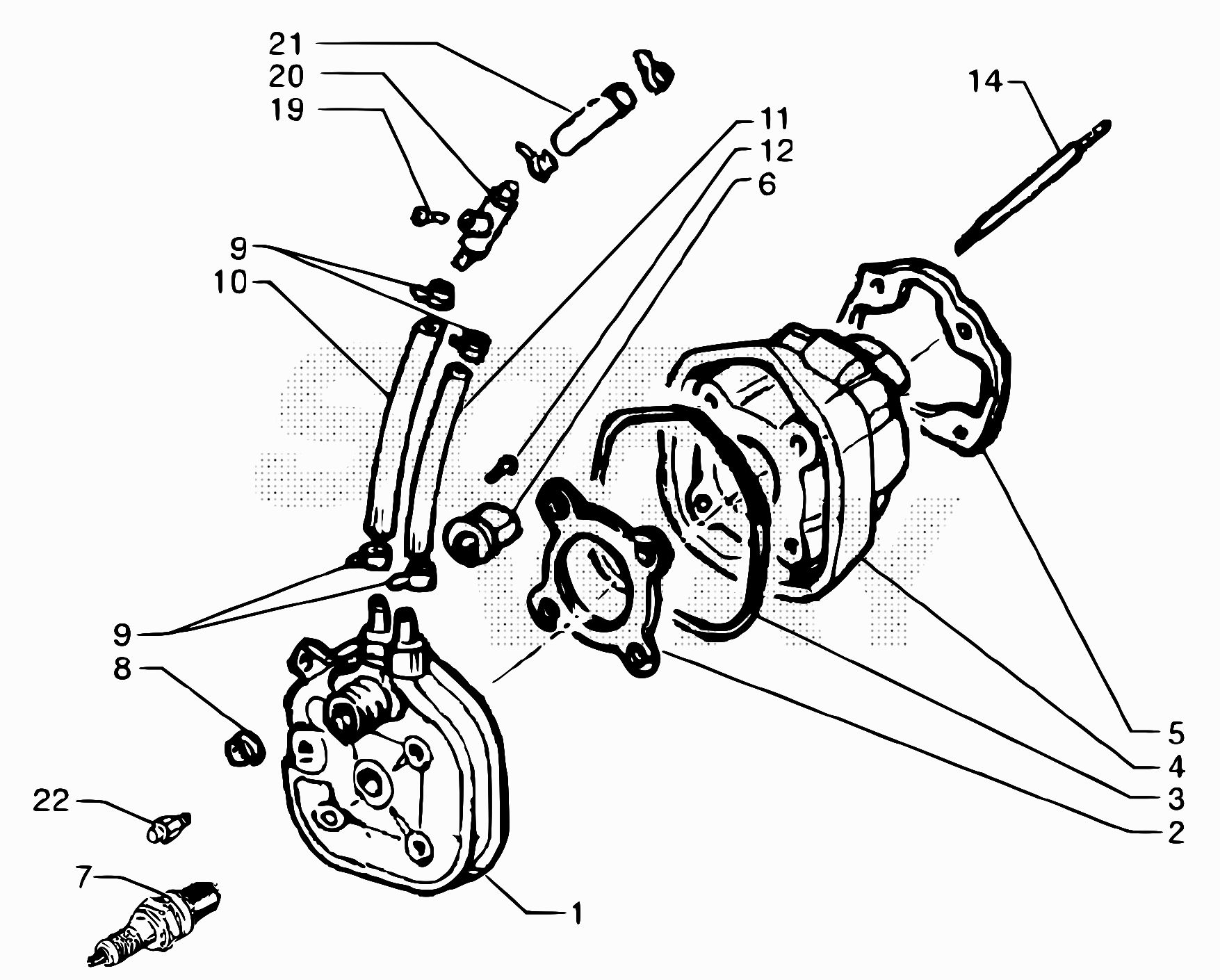
Motore > Cilindro/Testa/Distribuzione
Valid for:
| Rif. | Sku | Name | Price | Qty needed | Action |
|---|---|---|---|---|---|
| 1 | 33.02420.000 | TESTA RAFFRED.AD ACQUA (NUOVO T) SCOOTER | 78,23 € | 1 | |
| 2 | 33.02260.000 | GUARNIZIONE OR D.2,62 (INT.) SU TESTA | 8,24 € | 1 | |
| 3 | 33.02250.000 | GUARNIZIONE OR D.2,62 (EST.) SU TESTA | 4,06 € | 1 | |
| 5 | 33.02110.000 | GUARNIZIONE BASE CILINDRO SC.ACQUA | 4,17 € | 1 | |
| 6 | 33.02150.000 | TERMOSTATO "BEHR THOMSON N.1.085" | 31,72 € | 1 | |
| 8 | 33.00500.000 | DADO M7.1 H.7 CH.10 FL.PIANA D.16 | 3,26 € | 1 | |
| 20 | 33.02400.000 | RACCORDO IN PLASTICA SFIATO TUBI ACQUA | 3,68 € | 1 | |
| 11 | 33.02410.000 | TUBO ACQUA TESTA-CARBUR. L.76 | 3,76 € | 1 | |
| 12 | 31.73000.000 | VITE SPEC. 4.8.TC 8 VOLANO | 0,31 € | 1 | |
| 14 | 33.00530.000 | PRIGIONIERO FISS.TESTA M7.1.109 | 4,27 € | 1 | |
| 19 | 31.23360.000 | VITE 4.10 AUTOFRENANTE -CEV- | 0,56 € | 1 | |
| 22 | 29.11958.000 | TERMOINTERRUTTORE SCOOTER ACQUA -EURO 2- | 13,62 € | 1 |