Carrello
Drawing
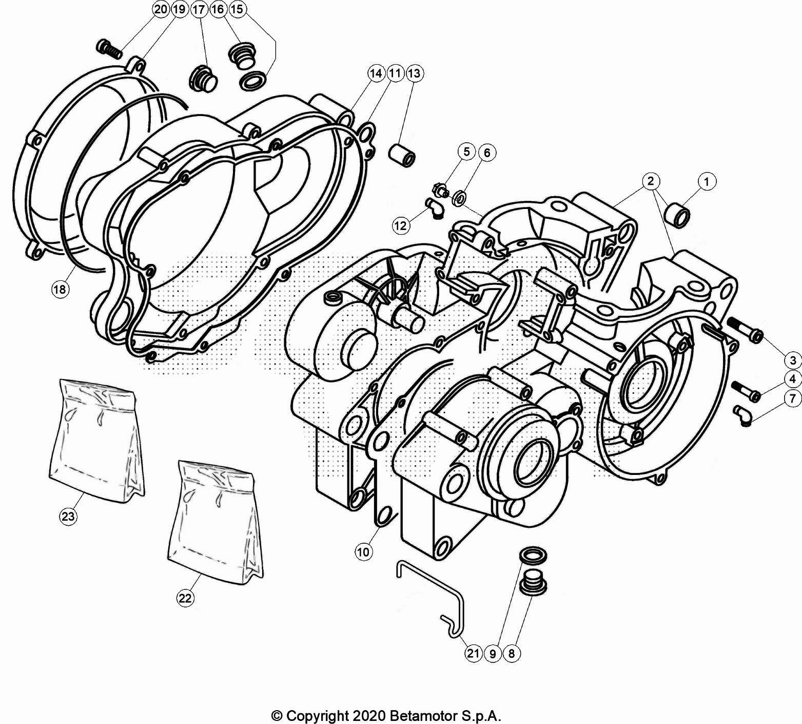
Motore > Basamento
Valid for:
| Rif. | Sku | Name | Price | Qty needed | Action |
|---|---|---|---|---|---|
| 1 | 16.41500.000 | GRANO RIFERIMENTO ,5.13.13 | 3,66 € | 2 | |
| 2 | 007.01.415.80.00 | CARTER MOTORE EVO 2T | 416,59 € | 1 | |
| 3 | 31.59010.000 | VITE BRUGOLA TCCE 6.50 | 0,76 € | 11 | |
| 4 | 31.29910.000 | VITE BRUGOLA 5.12 | 0,56 € | 7 | |
| 5 | 007.01.007.00.00 | TAPPO M6X6,5 | 3,75 € | 1 | |
| 6 | 007.01.006.00.00 | RONDELLA 6.2X12X3 | 3,75 € | 1 | |
| 12 | 27.23470.000 | RACCORDO PER SFIATO RK6 / RR | 1,50 € | 1 | |
| 8 | 29.00451.000 | TAPPO C/CALAMITA SCARICO OLIO4T | 10,38 € | 1 | |
| 15 | 16.53600.000 | GUARNIZIONE .22,5.1 | 0,31 € | 1 | |
| 10 | 007.01.350.00.00 | GUARNIZIONE CARTER EVO 2T | 4,25 € | 1 | |
| 11 | 16.71681.000 | GUARNIZIONE COP.FRIZ.INT.REV 3 | 13,38 € | 1 | |
| 13 | 16.37010.000 | GRANO RIFERIMENTO 9.15 | 2,62 € | 2 | |
| 14 | 12.62664.052 | COPERCHIO FRIZ. INT. EVO -NERO- | 74,52 € | 1 | |
| 16 | 29.10290.000 | TAPPO CARICO OLIO | 3,66 € | 1 | |
| 17 | 29.10030.000 | TAPPO INDICATORE OLIO | 5,05 € | 1 | |
| 18 | 10.67340.000 | ANELLO OR COP.FRIZ.EST.TECHNO | 3,33 € | 1 | |
| 20 | 31.34510.000 | VITE BRUGOLA TCCE 6.20 | 0,61 € | 7 | |
| 21 | 25.24584.000 | PASSACAVO TUBI SFIATO MOTORE REV 4T | 2,72 € | 1 | |
| 22 | 007.45.625.82.00 | SERIE GUARNIZIONI EVO 2T 200CC | 85,07 € | 1 | |
| 23 | 007.45.642.82.00 | KIT ANELLI TENUTA | 50,76 € | 1 |
To see all drawing, select a model