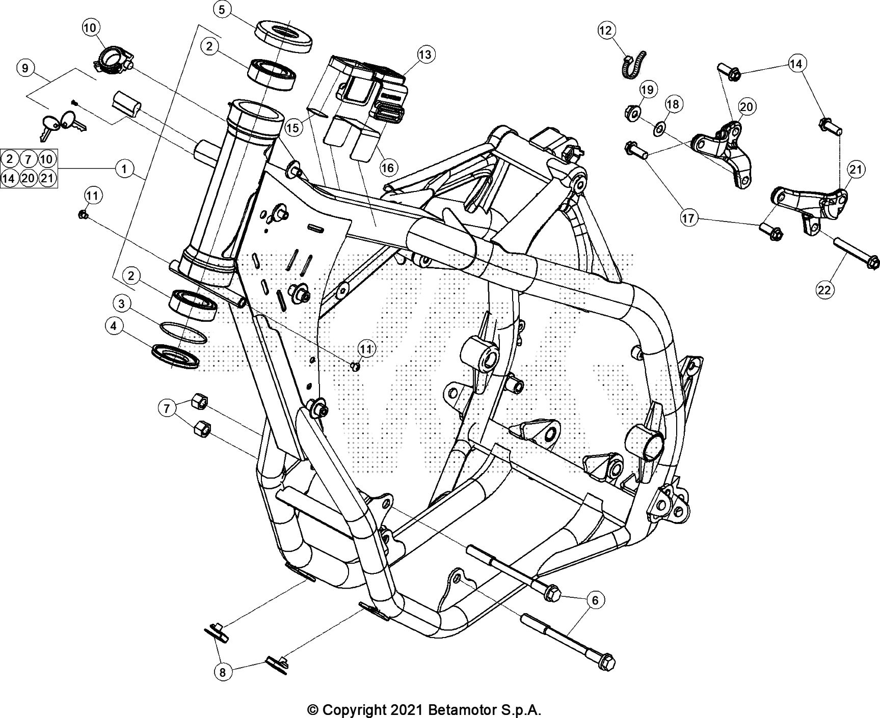
Drawing
Telaio > Telaio/Telaietto

Valid for:
Rif. Sku Name Price Qty needed Action
1 031.31.096.80.50 TELAIO 1.465,81 € 1

2 12.99510.000 CUSCINETTO CONICO .50.15 19,61 € 2

3 10.66935.000 ANELLO OR PER PARAPOLVERE STERZO RR 4T 0,24 € 1

4 020.31.039.00.00 ANELLO INT.PARAPOLV.-STERZO- RR 4T 9,72 € 1

5 25.98782.000 PROTEZIONE CUSCINETTO STERZO RR 4T 12,35 € 1

6 11.64607.000 BULLONE SPECIALE FIS.MOTORE(SUP. E INF.) 17,20 € 2

7 13.21060.000 DADO M10X1.25 H.8.5 CH.14 SELF-LOCKING 2,32 € 2

8 25.60311.000 PIASTRINA PER VITE M6 1,11 € 2

9 28.85861.000 SERRATURA 19,73 € 1

10 25.24441.000 PASSACAVO A SCATTO D.15 3,23 € 1

11 31.64018.000 VITE M8.10 UNI .9 0,43 € 2

12 15.14264.000 FASCETTA PLAST 0,76 € 1

14 11.54521.000 BULLONE 8.16 RS C/RONDELLA CH.10 0,70 € 2

15 020.31.034.00.00 TAMPONE ADESIVO ANT.SERBATOIORR4T 0,29 € 1

16 020.31.035.00.00 TAMPONE ADESIVO POST. SERBAT.RR4T 2,42 € 1

17 11.54492.000 BULLONE 8.20 RS CH LISCIO 0,76 € 2

18 27.49500.000 RONDELLA 8.16 0,31 € 1

19 13.17120.000 DADO M8 FLANGIATO CH.13 (ZIGRINATO) 0,65 € 1

20 020.31.144.00.00 ATTACCO TESTA DX 350CC 25,42 € 1

21 020.31.145.00.00 ATTACCO TESTA SX 350CC 25,42 € 1

22 11.55970.000 BULLONE 8.65 PF CH RS 1,45 € 1

Product added to wishlist