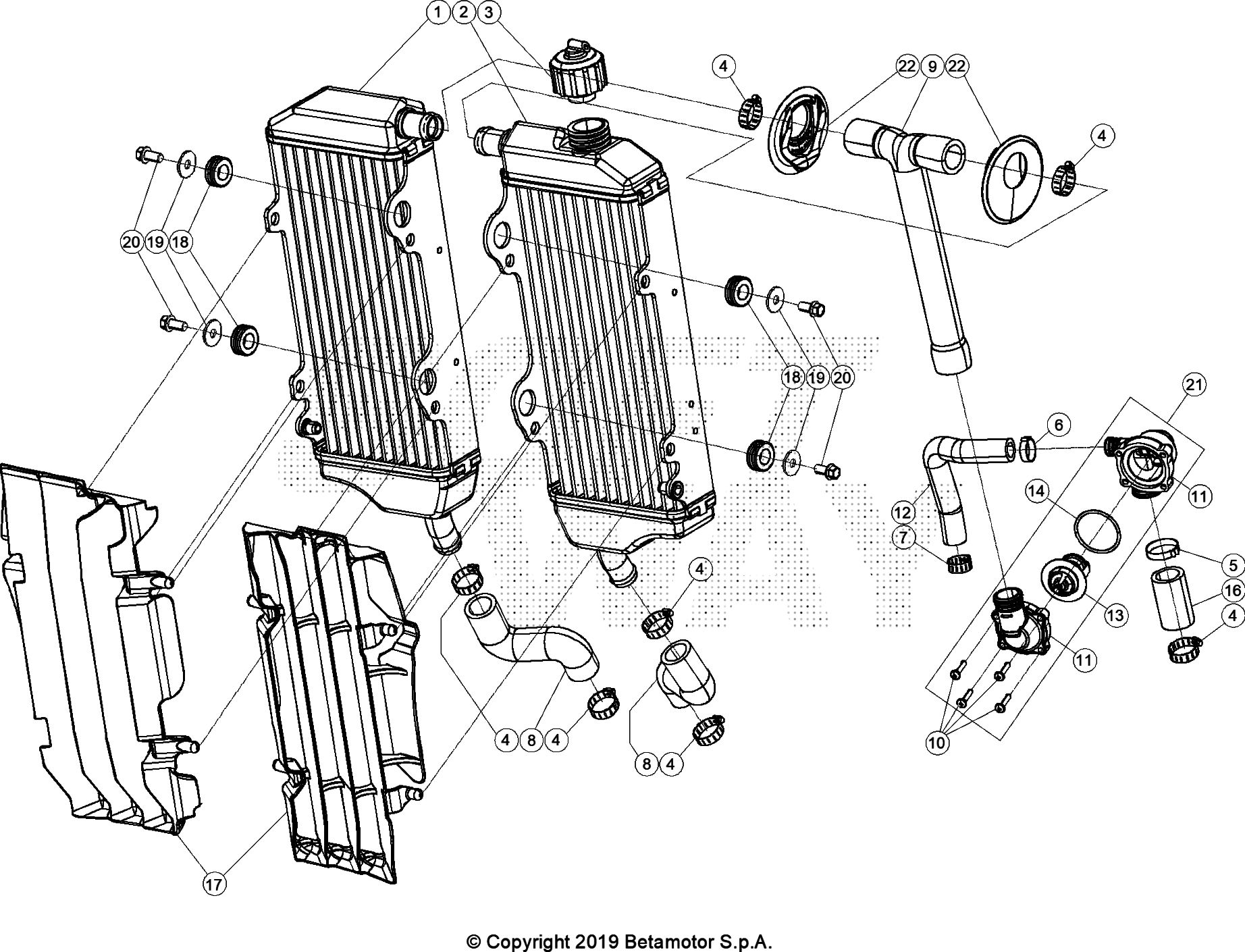
Tavola
Telaio > Sistema Di Raffreddamento

Valido per:
Rif. Codice Nome Prezzo Qta necessaria Azioni
3 037.39.021.00.00 TAPPO RADIATORE RR 4T 11,44 € 1

4 15.15240.000 FASCETTA /27 2,78 € 7

5 C07.16.005.00.00 FASCETTA D25 1,98 € 1

6 020.39.009.00.00 FASCETTA AUTOAGGRAPPANTE 3,95 € 1

7 15.15220.000 FASCETTA /22 2,78 € 1

8 037.39.013.00.00 TUBO RADIATORE RR 4T 6,28 € 2

9 037.39.009.00.00 TUBO TERMOSTATO RR 4T 24,64 € 1

10 031.39.017.50.00 VITE SPECIALE D.3,5X18 0,21 € 4

12 037.39.012.00.00 TUBO TERMOSTATO RR 4T 6,09 € 1

13 020.39.013.00.00 TERMOSTATO AD INSERTO RR 4T 33,61 € 1

14 10.66830.000 ANELLO OR .2 1,44 € 1

16 040.39.000.00.00 TUBO ACQUA RR 2T 1,90 € 1

17 037.39.029.00.51 GRIGLIE RADIATORE COPPIA WHITE RR 16,51 € 1

18 035.39.006.00.00 SILENT BLOCK 1,38 € 4

19 27.43250.000 RONDELLA 6.24 0,10 € 4

20 11.47015.000 BULLONE 6.12 RS CH 8 0,34 € 4

21 037.39.006.80.00 TERMOSTATO RR 4T 53,97 € 1

22 037.39.015.00.00 TAPPO 2,76 € 2

Per visualizzare tutte le tavole, seleziona un modello
Product added to wishlist