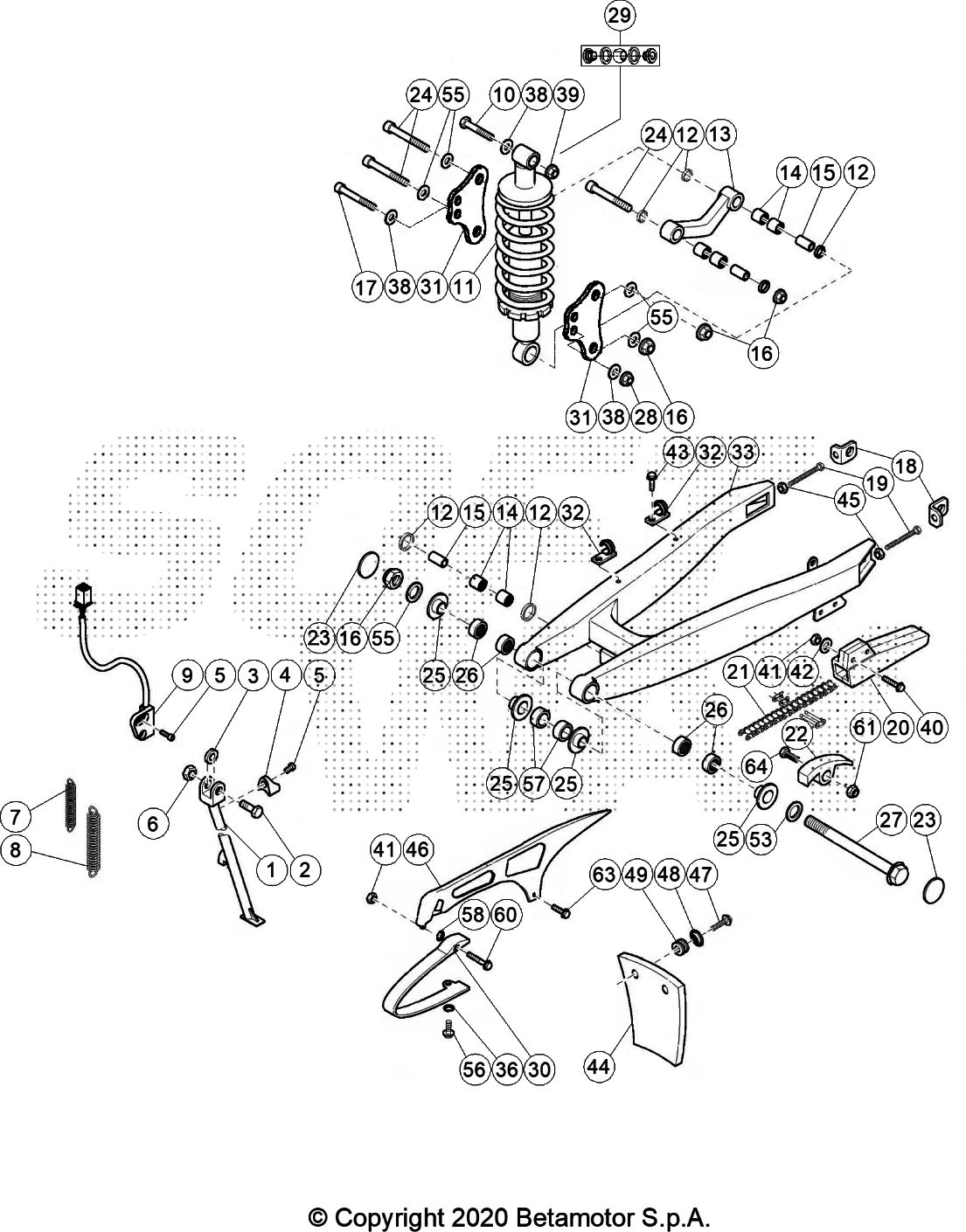
Drawing
Telaio > Forcellone/Sospensione Posteriore

Valid for:
Rif. Sku Name Price Qty needed Action
1 12.39902.000 CAVALLETTO ALP -200 35,73 € 1

2 11.70015.000 BULLONE SPECIALE CAVALETTO CON SENS.REED 15,34 € 1

3 13.46350.000 DISTANZIALE CAVALLETTO 2,98 € 1

4 22.11003.000 MAGNETE PER SENSORE CAVALLETTO 6,94 € 1

5 31.26790.000 VITE BRUGOLA 4.10 0,76 € 2

6 13.18000.000 DADO .6 CH 0,76 € 1

7 22.47019.000 MOLLA CAVALLETTO INTERNA 3,46 € 1

8 22.47022.000 MOLLA EST.PER CAVALLETTO LATERALE 2,04 € 1

9 28.79014.000 SENSORE CAVALLETTO 62,39 € 1

10 11.62050.000 BULLONE .45 1,25(10.9)FIS.AMM.SUP.INF. 6,31 € 1

11 10.03778.000 AMMORTIZZATORE VAM -200 TRIAL 316,05 € 1

12 10.41195.000 ANELLO PARAPOLVERE .26.4 NBR 2,26 € 6

13 11.19743.026 BIELLETTA ALP -200 -NERO- 42,70 € 1

14 11.22850.000 BOCCOLA A RULLI .26.12 6,93 € 6

15 13.48056.000 DISTANZIALE .20.34 6,54 € 3

16 13.21120.000 DADO AUTOBLOCCANTE .1,25 1,00 € 4

17 11.63700.000 BULLONE .65 PF CH RS UNI5737 2,57 € 1

18 29.11863.000 TENDICATENA ALP-4T 6,51 € 2

19 11.55909.000 BULLONE 8.55 IF CH ZB 2,14 € 2

20 29.10066.000 TASSELLO GUIDACATENA INF. ALP4T-ALP 4.0 21,74 € 1

21 017.42.050.00.00 CATENA 5/8.1/4 P.112 88,35 € 1

22 25.25601.000 PATTINO CATENA 5,61 € 1

23 12.55901.000 COPERCHIETTO DADI FORCELLONE 3,09 € 2

24 31.65995.000 VITE TCCE .70 PASSO 1,25 3,37 € 3

25 11.28100.000 BOCCOLA PERNO FORCELLONE ALP-4T 9,25 € 4

26 11.23000.000 BOCCOLA A RULLI .28.18 FORC. 15,68 € 4

27 25.47650.000 PERNO FORCELLONE ALP-4T 12,52 € 1

28 13.21010.000 DADO AUTOBLOCCANTE ALTO 0,85 € 1

29 024.33.054.82.00 KIT SNODO 69,83 € 1

30 29.10064.000 TASSELLO GUIDACAT.SUP. ALP4T'03-ALP 4.0 21,86 € 1

31 017.33.004.50.00 PIASTRA 12,33 € 2

32 15.14605.000 FASCETTA PASSATUBO FRENO POST. GRIGIO 2,72 € 2

33 017.33.005.40.33 FORCELLONE 323,91 € 1

36 13.82551.000 DISTANZIALE SERBATOIO OLIO MIX 1,24 € 1

38 27.54000.000 RONDELLA .21.2 0,56 € 3

39 13.21050.000 DADO AUTOBLOCCANTE FLANGIATO M10X1,25 2,72 € 1

40 11.50355.000 BULLONE 6.35 RS CH 8 0,35 € 2

41 13.13010.000 DADO AUTOBLOCCANTE 6 ALTO 0,56 € 3

42 27.43250.000 RONDELLA 6.24 0,10 € 2

43 11.46251.000 BULLONE 5.12 RS CH 8 FLANGIATA 0,31 € 2

44 25.24417.159 PARASCHIZZI ALP -200 13,24 € 1

45 13.17121.000 DADO SPECIALE M8 FLANGIATO CH.10 -LISCIO 0,50 € 2

46 12.88590.059 COPRICATENA ALP/MOTARD 4.0 5,28 € 1

47 11.46401.000 BULLONE 5.20 RS CH 8 0,31 € 2

48 27.74786.000 RONDELLA BOMBATA 2,77 € 2

49 16.29620.000 GOMMINO FISSAGGIO 2,12 € 2

53 27.61570.000 RONDELLA ,2 ,7 2,25 INOX 1,45 € 1

55 27.55600.000 RONDELLA .24.2,5 BISELLATE 0,56 € 5

63 11.48025.000 BULLONE 6.16 RS CH 8 0,34 € 1

57 13.48411.000 DISTANZ.FORCELLONE SU SUP/MOTORE 7,02 € 2

58 13.54510.000 DISTANZIALE PROTEZ. FORCELLA 1,65 € 1

60 11.50360.000 BULLONE 6.40 RS CH 8 0,57 € 1

61 13.17020.000 DADO AUTOBLOCCANTE 8 BASSO 0,85 € 1

64 11.55480.000 BULLONE 8.40 PF ROND. LISCIA 2,31 € 1

To see all drawing, select a model
Product added to wishlist