Carrello
Drawing
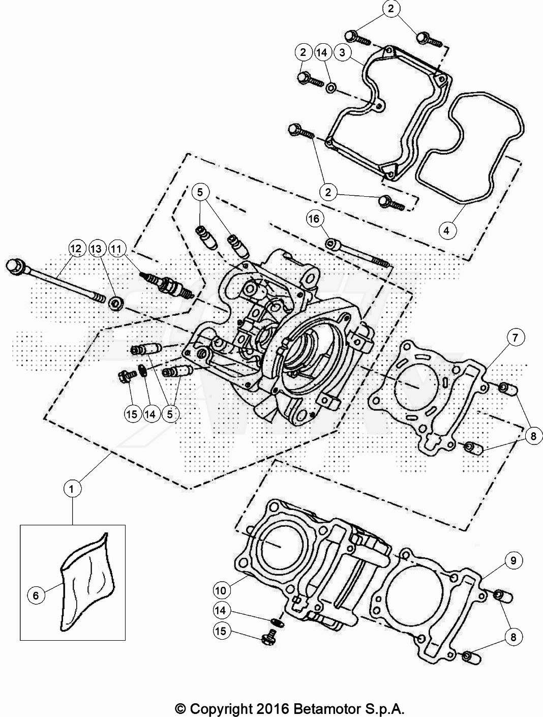
Motore > Cilindro/Testa/Distribuzione
Valid for:
| Rif. | Sku | Name | Price | Qty needed | Action |
|---|---|---|---|---|---|
| 1 | 021.11.048.00.00 | TESTA | 217,51 € | 1 | |
| 3 | 021.11.001.00.00 | COPERCHIO SU TESTA LC | 32,34 € | 1 | |
| 4 | 021.11.002.00.00 | ANELLO DI TENUTA OR D.2,9 | 8,93 € | 1 | |
| 5 | 021.11.003.00.00 | GUIDA VALVOLA MAGGIORATA LC | 33,76 € | 4 | |
| 6 | 021.11.004.00.00 | PRIGIONIERO M8X36 GEOMET LC | 3,14 € | 2 | |
| 7 | 021.11.005.00.00 | GUARNIZIONE TESTA SP.0,2 LC | 15,90 € | 1 | |
| 9 | 021.11.049.00.00 | GUARNIZIONE CILINDRO | 14,62 € | 1 | |
| 10 | 021.11.007.00.00 | CILINDRO D.52 (MARC.1B900) LC | 182,68 € | 1 | |
| 11 | 021.11.008.00.00 | CANDELA NGK CR8E GAP.0,8 LC | 23,14 € | 1 | |
| 12 | 021.11.009.00.00 | VITE FLG. M8X1,25 L 175 BIANCO | 7,98 € | 4 | |
| 13 | 021.11.047.00.00 | RONDELLA | 5,12 € | 4 | |
| 14 | 021.11.011.00.00 | RONDELLA IN RAME D.6,3X13X1,2125 LC | 2,82 € | 3 | |
| 15 | 021.11.055.00.00 | VITE | 3,09 € | 2 | |
| 16 | 021.11.013.00.00 | VITE TCCE FLG M6X100 ZN.VERDE125 LC | 8,06 € | 2 |
To see all drawing, select a model