Carrello
Drawing
Motore > Cilindro/Testa/Distribuzione
Valid for:
| Rif. | Sku | Name | Price | Qty needed | Action |
|---|---|---|---|---|---|
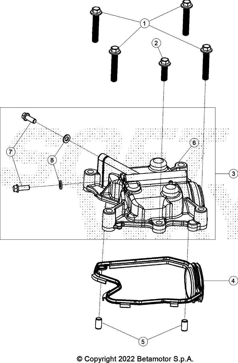
| 1 | 051.11.000.00.00 | VITE M8X45 | 0,65 € | 4 | |
| 2 | 051.11.001.00.00 | VITE M8X25 | 0,52 € | 1 | |
| 3 | 051.11.005.00.00 | COPERCHIO TESTA - KIT | 96,21 € | 1 | |
| 4 | 051.11.006.00.00 | GUARNIZIONE COPERCHIO | 30,94 € | 1 | |
| 5 | 051.01.006.00.00 | PERNO D8X14 | 0,35 € | 2 | |
| 6 | 051.11.010.00.00 | COPERCHIO TESTA | 93,40 € | 1 | |
| 7 | 051.11.008.00.00 | VITE M6X10 | 0,99 € | 2 | |
| 8 | 051.11.015.00.00 | GUARNIZIONE | 0,41 € | 2 |
To see all drawing, select a model