Drawing
Telaio > Sistema Di Raffreddamento

Valid for:
Rif. Sku Name Price Qty needed Action
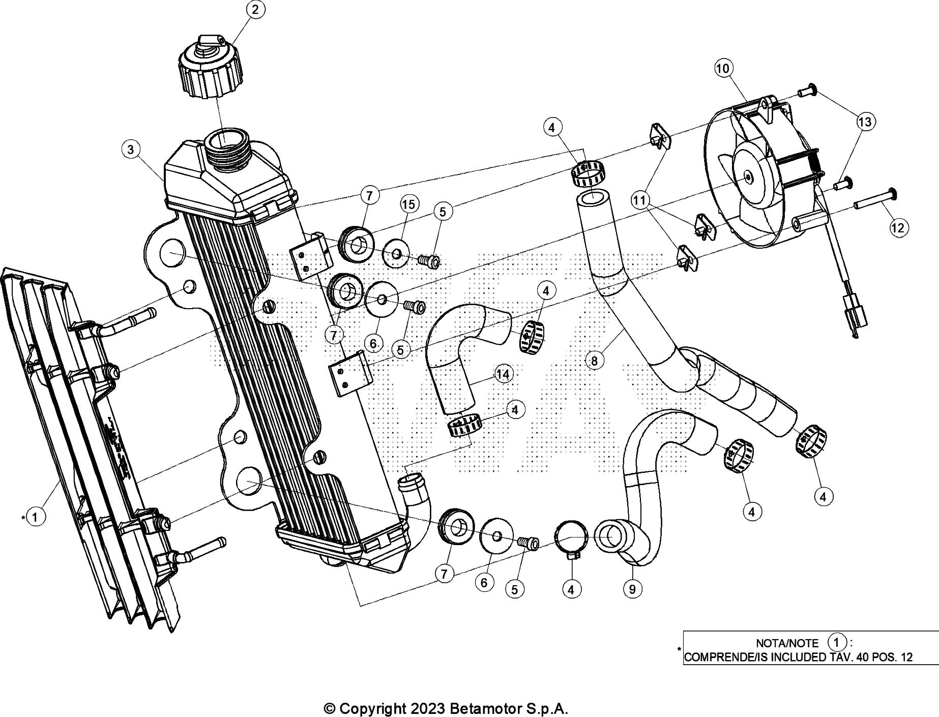
1 051.39.004.00.59 GRIGLIE RADIATORE COPPIA BLACK RR 4T 18,45 € 1

2 037.39.021.00.00 TAPPO RADIATORE RR 4T 11,44 € 1

3 051.39.000.00.00 RADIATORE 142,98 € 1

4 C07.16.010.00.00 FASCETTA D20 1,70 € 6

5 31.31050.000 VITE BRUGOLA TCCE 6.16 0,56 € 3

6 27.43250.000 RONDELLA 6.24 0,10 € 2

7 035.39.006.00.00 SILENT BLOCK 1,38 € 3

8 051.39.002.00.00 TUBO TERMOSTATO 12,52 € 1

9 051.39.003.00.00 TUBO TERMOSTATO 10,60 € 1

10 021.39.002.00.00 ELETTROVENTOLA VEM125 96,06 € 1

11 25.58060.000 PIASTRINA FILETTATA M5 -B4- 1,16 € 3

12 31.29885.000 VITE TTLIC 5.35 TESTA 0,17 € 1

13 31.29850.000 VITE TTLIC 5.12 TESTA 0,50 € 2

14 051.39.005.00.00 TUBO POMPA ACQUA 7,77 € 1

15 27.42000.000 RONDELLA 6.18 0,31 € 1

To see all drawing, select a model
Product added to wishlist