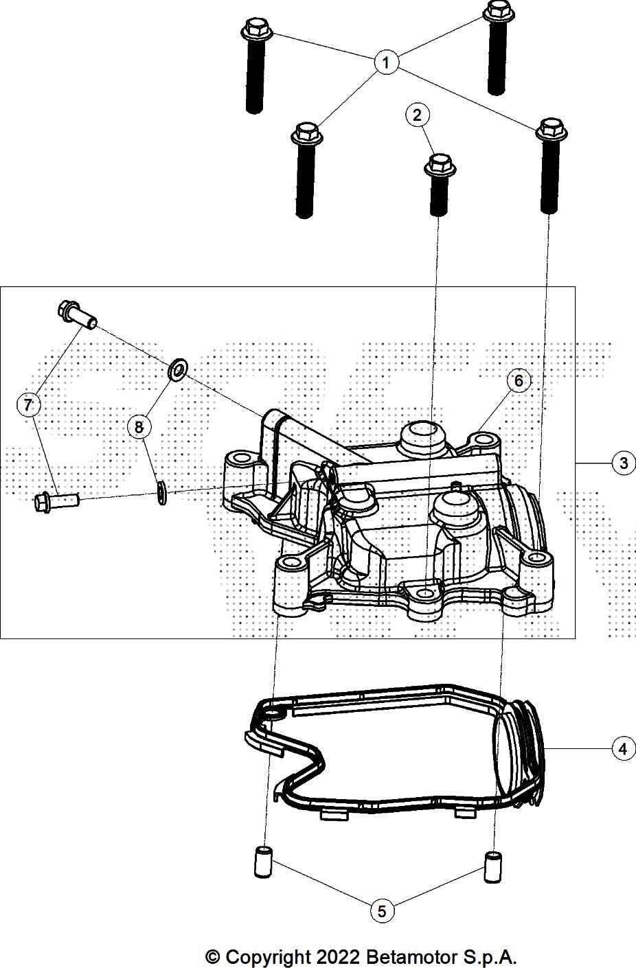
Drawing
Motore > Cilindro/Testa/Distribuzione

Valid for:
Rif. Sku Name Price Qty needed Action
1 051.11.000.00.00 VITE M8X45 0,65 € 4

2 051.11.001.00.00 VITE M8X25 0,52 € 1

3 051.11.005.00.00 COPERCHIO TESTA - KIT 96,21 € 1

4 051.11.006.00.00 GUARNIZIONE COPERCHIO 30,94 € 1

5 051.01.006.00.00 PERNO D8X14 0,35 € 2

6 051.11.010.00.00 COPERCHIO TESTA 93,40 € 1

7 051.11.008.00.00 VITE M6X10 0,99 € 2

8 051.11.015.00.00 GUARNIZIONE 0,41 € 2

To see all drawing, select a model
Product added to wishlist