Cerca per moto

  • Nuovo
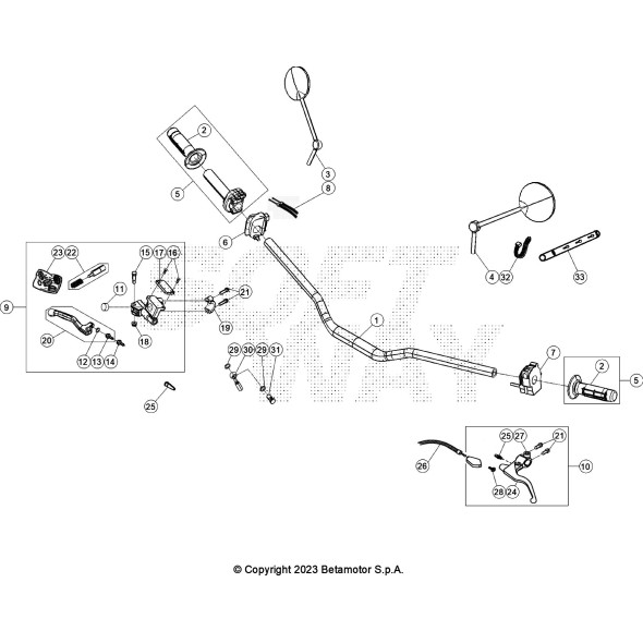
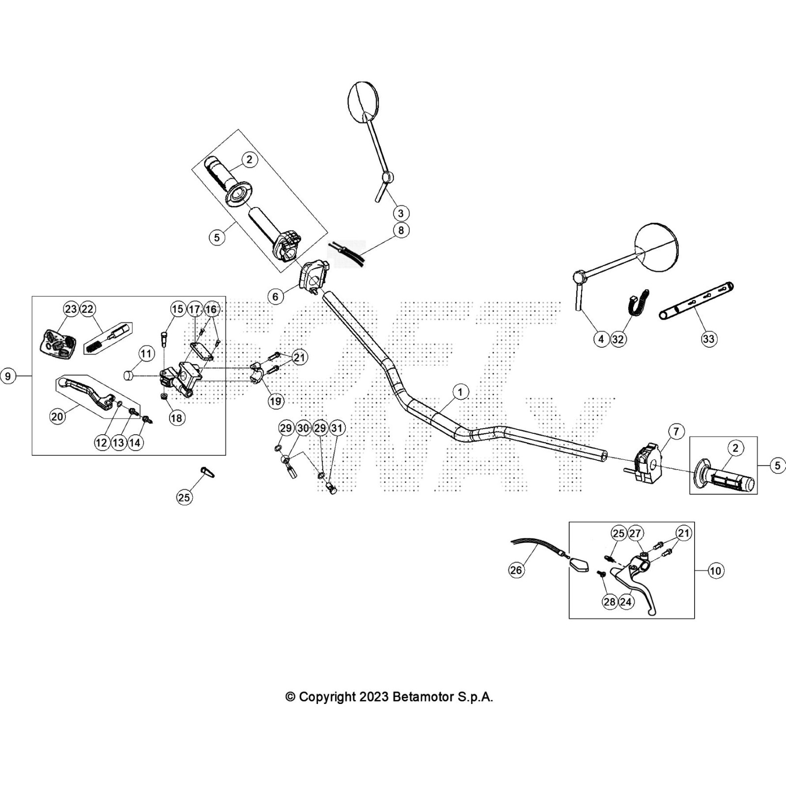
CAVO COMANDO FRIZIONE
BETA

CAVO COMANDO FRIZIONE

21,26 €
Tasse incluse

Prodotti originali
Team di esperti
Assistenza garantita

Dettagli del prodotto

043.35.000.00.00
50 Articoli
Compatibile con:
Product added to wishlist