Cerca per moto

  • Nuovo
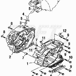
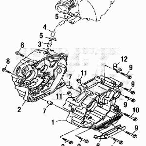
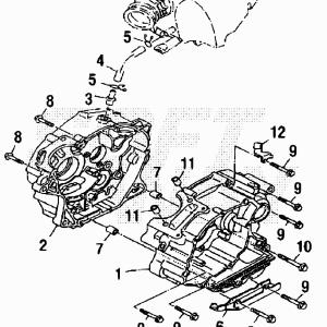
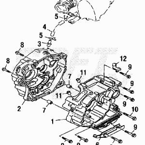
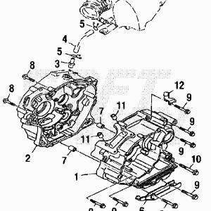
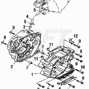
CARTER (1) 125CC 4T
BETA

CARTER (1) 125CC 4T

799,12 €
Tasse incluse

Prodotti originali
Team di esperti
Assistenza garantita

Dettagli del prodotto

34.04227.300
50 Articoli
Compatibile con:
Product added to wishlist