Cerca per moto

  • Nuovo
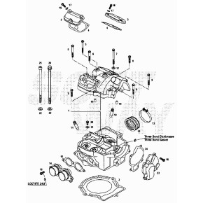
ALBERO BILANCIAMENTO
BETA

ALBERO BILANCIAMENTO

215,64 €
Tasse incluse

Prodotti originali
Team di esperti
Assistenza garantita

Dettagli del prodotto

029.02.020.00.00
50 Articoli
Compatibile con:
Product added to wishlist