Cerca per moto

  • Nuovo
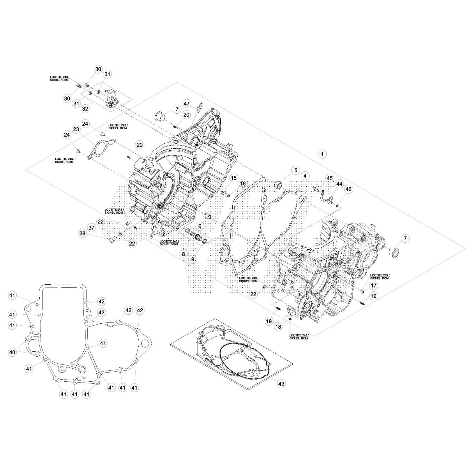
BULLONE 6.70 RS CH 8
BETA

BULLONE 6.70 RS CH 8

0,61 €
Tasse incluse

Prodotti originali
Team di esperti
Assistenza garantita

Dettagli del prodotto

C24.31.041.00.00
50 Articoli
Compatibile con:
Product added to wishlist