Cerca per moto

  • Nuovo
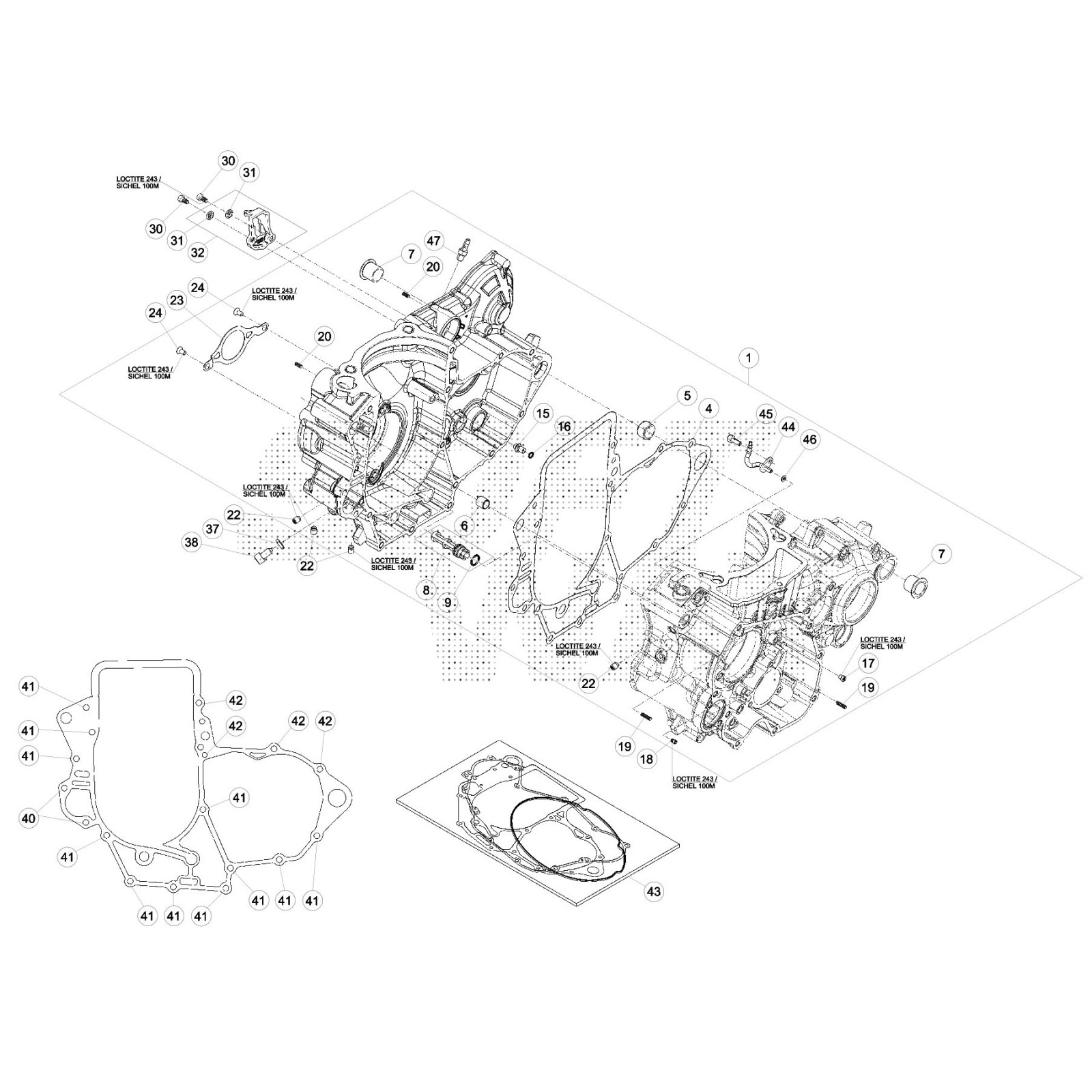
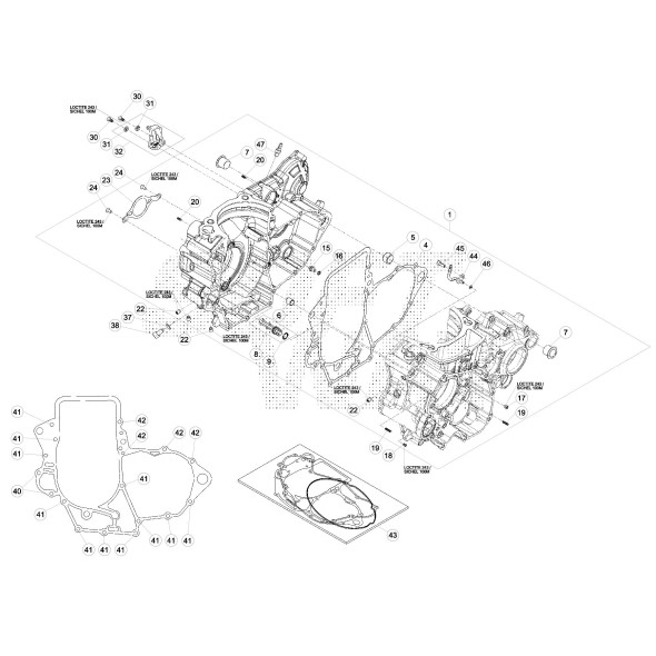
KIT GUARNIZIONI CARTER
BETA

KIT GUARNIZIONI CARTER

204,28 €
Tasse incluse

Prodotti originali
Team di esperti
Assistenza garantita

Dettagli del prodotto

029.01.041.82.00
50 Articoli
Compatibile con:
Product added to wishlist