Cerca per moto

  • Nuovo
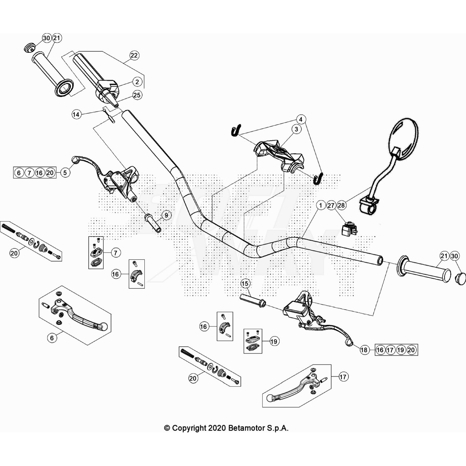
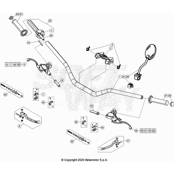
LEVA FRENO EVO
BETA

LEVA FRENO EVO

161,69 €
Tasse incluse

Prodotti originali
Team di esperti
Assistenza garantita

Dettagli del prodotto

007.36.021.80.59
50 Articoli
Compatibile con:
Product added to wishlist