Cerca per moto

  • Nuovo
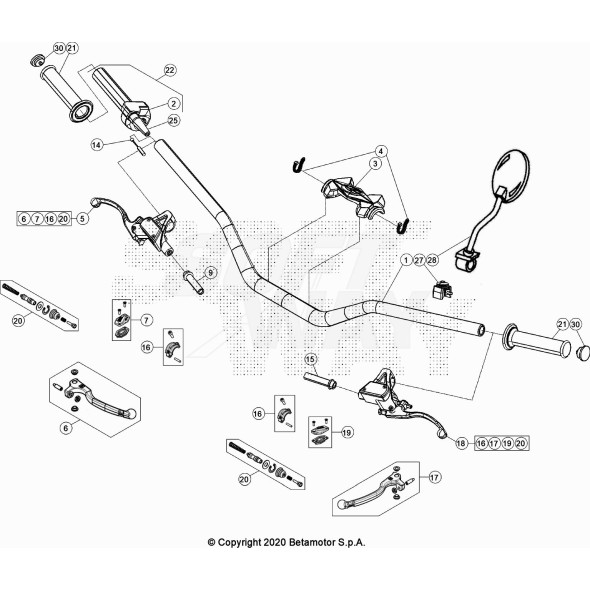
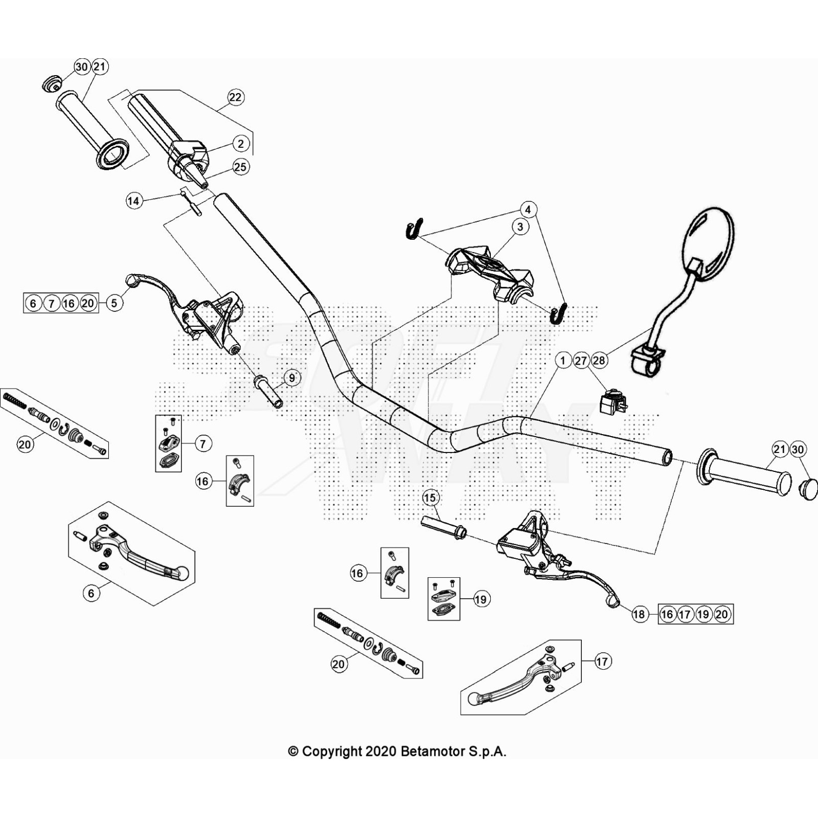
LEVA FRENO
BETA

LEVA FRENO

66,61 €
Tasse incluse

Prodotti originali
Team di esperti
Assistenza garantita

Dettagli del prodotto

007.36.022.82.00
50 Articoli
Compatibile con:
Product added to wishlist