Cerca per moto

  • Nuovo
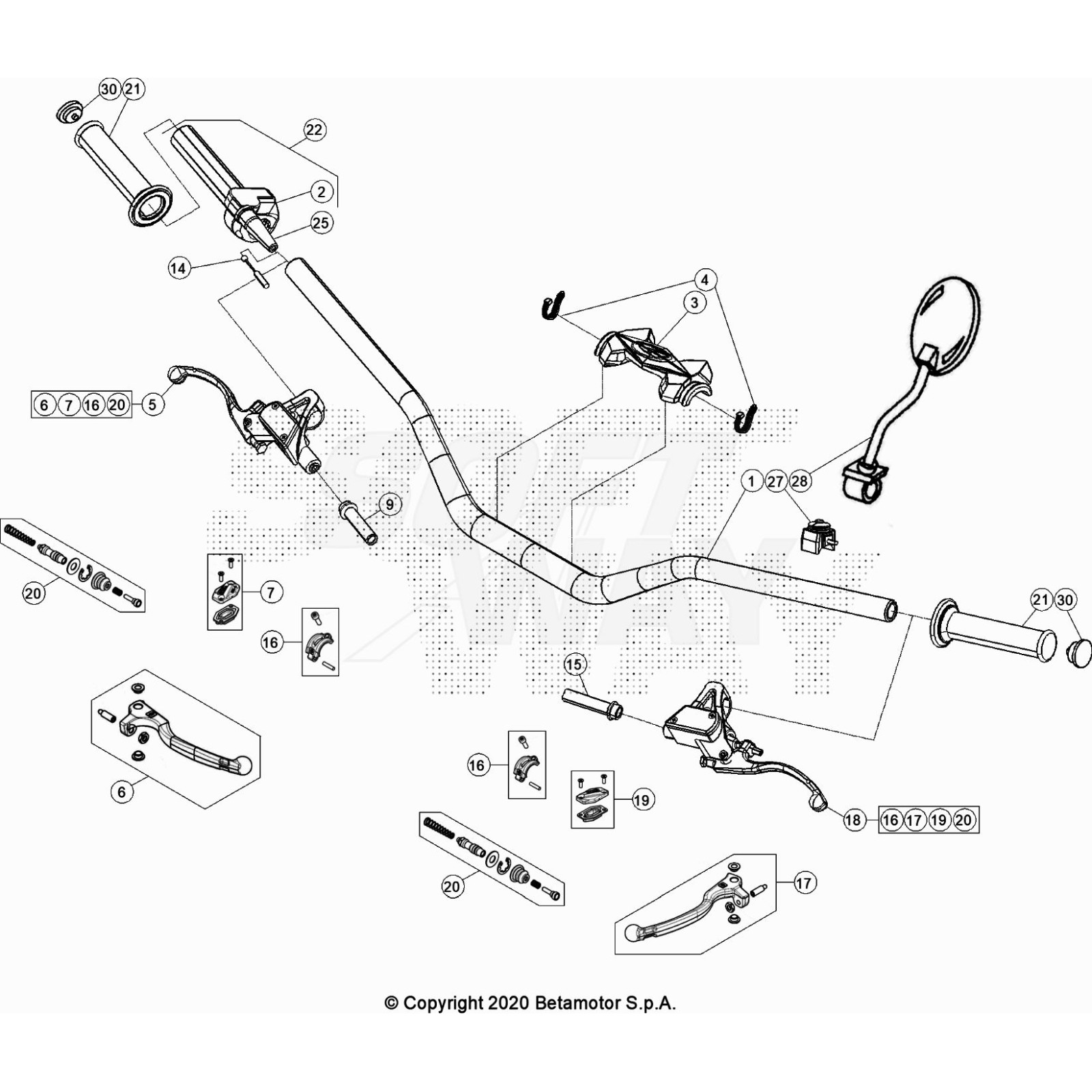
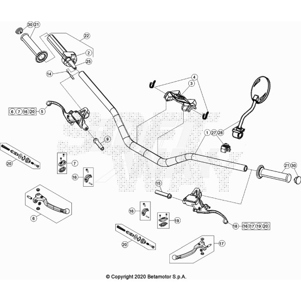
LEVA FRIZIONE EVO
BETA

LEVA FRIZIONE EVO

161,69 €
Tasse incluse

Prodotti originali
Team di esperti
Assistenza garantita

Dettagli del prodotto

007.35.018.80.59
50 Articoli
Compatibile con:
Product added to wishlist