Cerca per moto

  • Nuovo
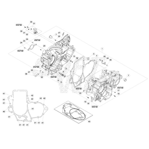
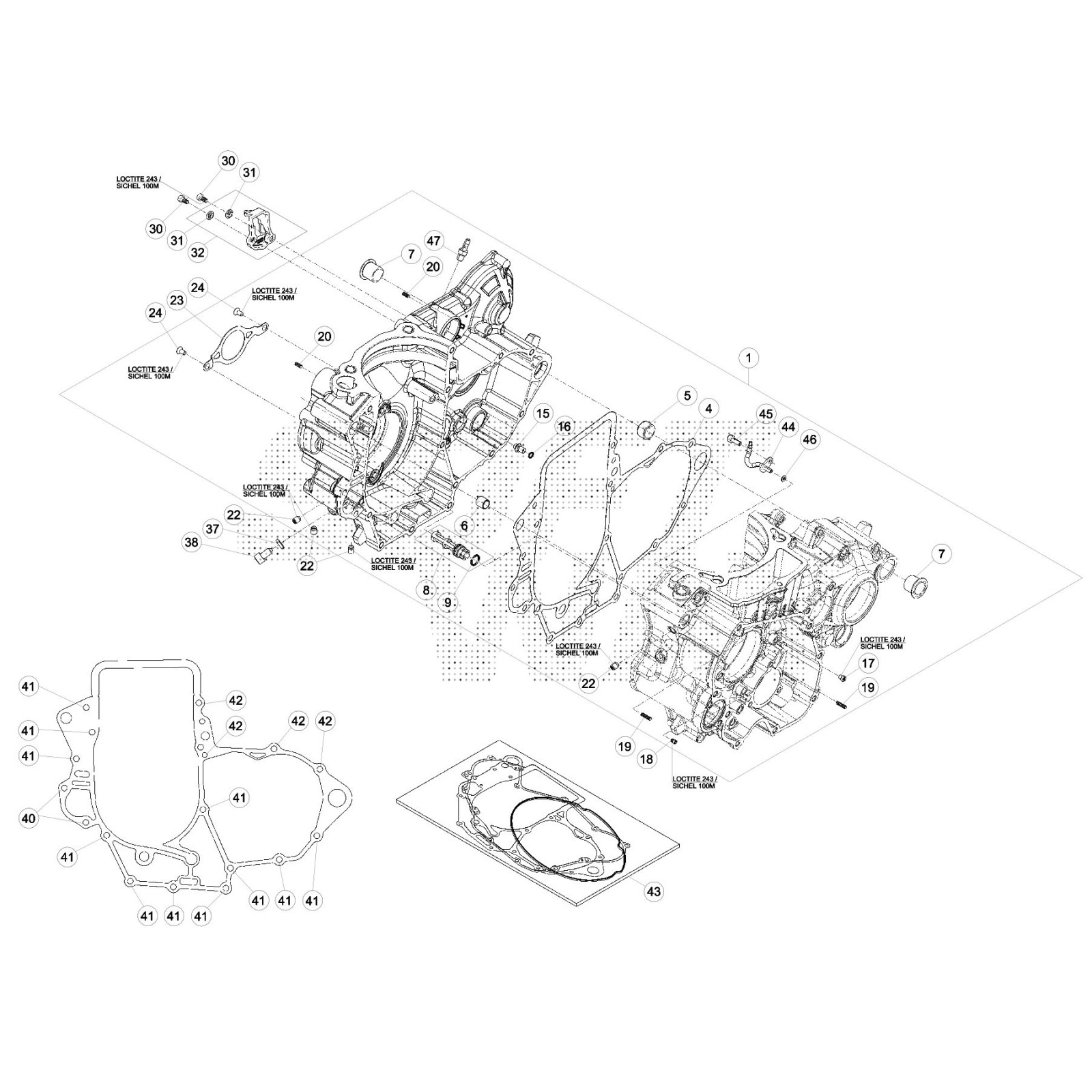
GETTO OLIO RAFFREDDAMENTO
BETA

GETTO OLIO RAFFREDDAMENTO

10,82 €
Tasse incluse

Prodotti originali
Team di esperti
Assistenza garantita

Dettagli del prodotto

029.01.021.00.00
50 Articoli
Compatibile con:
Product added to wishlist