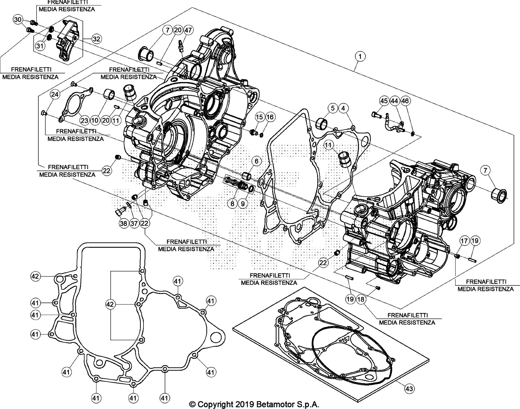
Drawing
Motore > Basamento

Valid for:
Rif. Sku Name Price Qty needed Action
1 037.01.014.80.00 CARTER MOTORE RR 4T 1.081,08 € 1

4 037.01.019.00.00 GUARNIZIONE CARTER 16,34 € 1

5 006.01.012.00.00 GRANO DI RIFERIMENTO (RETRO) .21.12 6,00 € 1

6 16.41500.000 GRANO RIFERIMENTO ,5.13.13 3,66 € 1

7 006.01.011.00.00 BOCCOLA 17X21X19 7,78 € 2

8 006.08.053.80.00 FILTRO OLIO, CARTER -COMPLETO- 10,81 € 1

9 10.50010.000 ANELLO OR 8.1,5 0,07 € 1

10 037.01.010.00.00 BOCCOLA LR15X18X12,5 9,77 € 1

11 006.11.108.00.00 RACCORDO ACQUA M20.1,25 12,46 € 2

15 029.01.024.80.00 GETTO OLIO COMPLETO 14,04 € 1

16 10.66139.000 ANELLO OR 6 . 1,5 -VITON- 0,39 € 1

17 16.42903.000 GETTO LUBRIFICAZIONE 4,68 € 1

18 16.42904.000 GETTO LUBRIFICAZIONE CARTER 11,22 € 1

19 12.93384.000 RULLINO 4.15,8 G2 NBR 0,50 € 2

20 36.25021.000 RULLINO 4,0 X 9,8 0,66 € 2

22 006.01.021.00.00 TAPPO OLIO AD ESPANSIONE 7X9 1,12 € 4

23 006.01.018.00.09 PIASTRINA FISS.PARAOLIO DX ALBERO MOTORE 3,68 € 1

24 31.30085.000 VITE "TORX" M5X10 INOX 0,20 € 2

30 C24.24.047.00.00 VITE BRUGOLA TCCE 5.12 (EN AW7075) 1,07 € 2

31 006.08.081.00.00 BOCCOLA 3,28 € 2

32 037.08.003.80.00 CONVOGLIATORE 5,69 € 1

37 029.01.026.00.00 RONDELLA VITE DI CENTRAGGIO 8.14.5 RAME 2,66 € 1

38 029.01.025.00.00 VITE SPECIALE PMS 6,62 € 1

41 11.05485.000 BULLONE 6.60 RS CH 8 1,07 € 10

42 C24.31.041.00.00 BULLONE 6.70 RS CH 8 0,61 € 4

44 029.01.021.00.00 GETTO OLIO RAFFREDDAMENTO 10,82 € 1

45 31.26790.000 VITE BRUGOLA 4.10 0,76 € 1

46 C02.06.054.00.00 ANELLO OR 3.5 , 1.5 0,07 € 1

47 29.00280.000 RACCORDO 5,32 € 1

To see all drawing, select a model
Product added to wishlist